回复:【求助】6SE70变频器控制起升出现溜钩

YiMoon

西门子1847工业学习平台

  • 帖子

    1229
  • 精华

    36
  • 被关注

    88

论坛等级:至圣

注册时间:2005-04-14

黄金 黄金 如何晋级?

发布于 2019-01-16 16:42:12

127楼

展开查看
以下是引用老兵在2019-01-16 11:31:46的发言 >125楼

我感觉你的静态及动态附加转矩启的作用比较小,可能是限幅限制住了。(见功能图382)。

你试试在启动时速度环用纯P,启动后再用PI。

或者,在启动时让I时间长一点,启动后再让I正常。


以下是引用YiMoon在2019-01-14 19:58:38的发言 >117楼:经历了这么多天,在...

引用117楼详细内容:

经历了这么多天,在大家的帮助下,终于完成了SLVC下的调试,在这里,谢谢大家的耐心指教。

在下午的调试过程中,也遇到了一些问题,主要还是刚起升时,力矩不够,拉不动,于是,在修改了以下几个参数后,起升明显改善了很多:

  1. P278,P279增加到120

  2. P457增加到17

不过,修改之后,出现一个现像,就是悬停后,再起升,电机会转几圈,再停住(大概1.2秒),然后再上升,表现在重物上的现像是:操作人员按上升,重物会停住1.2秒,然后再上升。从曲线上可以很明显的看出来,在5HZ后,明显速度为0,1.2秒后再马上上升,我觉得,应该还是SLVC模式初始时5HZ力矩不够的原因。

 修改P235,P240等都没什么明显改善,最后,修改上升时间P462=5---->1,效果很明显,不过,还是看得出有一点停顿,大概0.5秒。这也是今天的一个遗憾吧,没有调到最完美。

 

后续改进:准备测试一下,现在最小频率为17%,我想把0-17%的频率给屏蔽(P455=0,P456=17%),不知道这样对停顿有没有改善。


附件为修改P462之前之后的录波

trace.rar

 

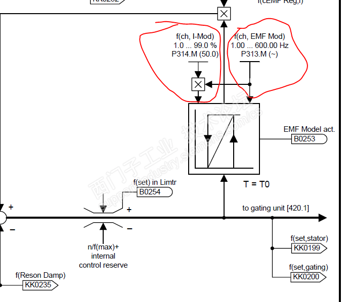
回兵版,我怀疑可能是下面的这个切换开关没有激活

 这个开关与参数P314,P313有关

根据公式P313*(0.85*P314+15%)来切换EMF MOD

P313现在是5,那就是说在2.8HZ后,会变为EMF模式,P278,P279也就起不了作用了,所以提高P313就会有改善,如改为10HZ,这时切换点会在5.7HZ。(不知道这样理解对不对);

P314是在电流模式时的频率限幅,P314*P313,但这个代表什么意思,有点看不懂

 

Keep calm and carry on!!!
评论
编辑推荐: 关闭

请填写推广理由:

本版热门话题

MasterDrives

共有5854条技术帖

相关推荐

热门标签

相关帖子推荐

guzhang

恭喜,你发布的帖子

评为精华帖!

快扫描右侧二维码晒一晒吧!

再发帖或跟帖交流2条,就能晋升VIP啦!开启更多专属权限!

  • 分享

  • 只看
    楼主

top
X 图片
您收到0封站内信:
×
×
信息提示
很抱歉!您所访问的页面不存在,或网址发生了变化,请稍后再试。