回复:晶体管输出的L+是否可以接低电位?

猎隼

  • 帖子

    693
  • 精华

    0
  • 被关注

    6

论坛等级:奇侠

注册时间:2004-09-16

普通 普通 如何晋级?

发布于 2019-01-20 09:15:18

43楼

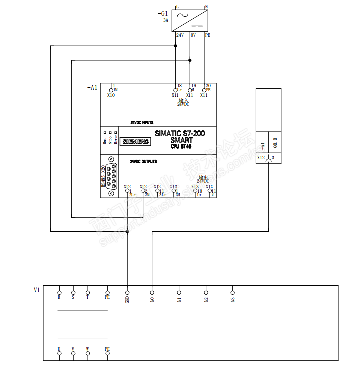
临时做了一个原理图纸,V1的GND里面接的是V1自己的0伏,原理是只要GND和MO接通就会有输出。原先之间是有个小继电器过流的,我只是有这么个想法,想要把小继电器去掉,而选择直接连线。



I believe i can fly
评论
编辑推荐: 关闭

请填写推广理由:

本版热门话题

SIMATIC S7-200 SMART

共有9120条技术帖

相关推荐

热门标签

相关帖子推荐

guzhang

恭喜,你发布的帖子

评为精华帖!

快扫描右侧二维码晒一晒吧!

再发帖或跟帖交流2条,就能晋升VIP啦!开启更多专属权限!

  • 分享

  • 只看
    楼主

top
X 图片
您收到0封站内信:
×
×
信息提示
很抱歉!您所访问的页面不存在,或网址发生了变化,请稍后再试。