回复:S120主从控制方法实现张力控制

X&Q

  • 帖子

    105
  • 精华

    1
  • 被关注

    27

论坛等级:侠客

注册时间:2013-03-30

普通 普通 如何晋级?

发布于 2019-01-23 16:59:58

3楼

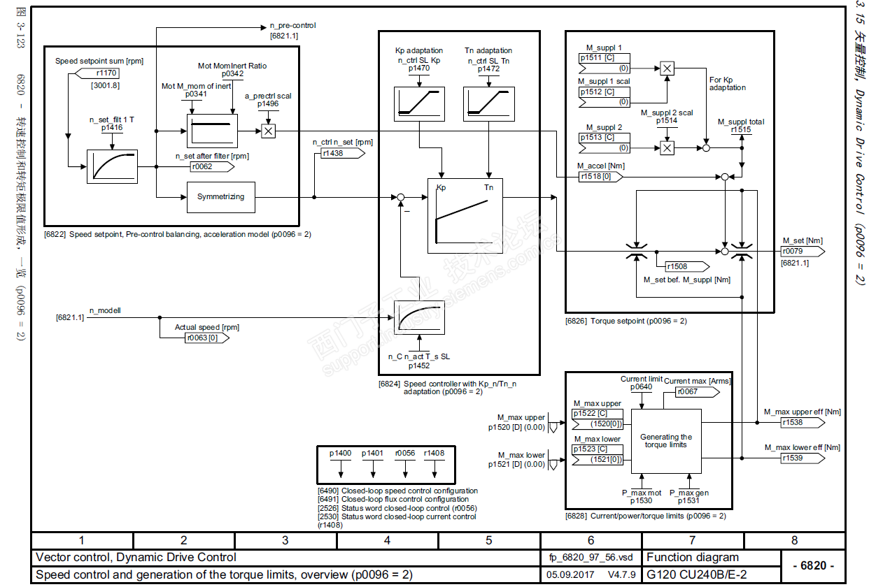
附加给定速度的目的是使速度环进入饱和状态,从而转矩环输入最大,一楼说的很清楚了,可以看功能图,这样就很容易理解。

Capture.PNG

这种方式实际都是工作在速度模式,两台驱动都按照VC来调试,比如说主机(中心驱动)走线速度,从机(收卷,放卷)在线速度的基础上附加一个offset,使从机速度环饱和。至于从机的转矩限幅可以通过使用loadcell作为张力反馈,在PLC中做一个PID,当然还要加入动态静态摩擦补偿,惯量补偿等。这里说的速度是指转速rpm

评论
编辑推荐: 关闭

请填写推广理由:

本版热门话题

SINAMICS

共有8093条技术帖

相关推荐

热门标签

相关帖子推荐

guzhang

恭喜,你发布的帖子

评为精华帖!

快扫描右侧二维码晒一晒吧!

再发帖或跟帖交流2条,就能晋升VIP啦!开启更多专属权限!

  • 分享

  • 只看
    楼主

top
您收到0封站内信:
×
×
信息提示
很抱歉!您所访问的页面不存在,或网址发生了变化,请稍后再试。