回复:【求助】6SE70变频器控制起升出现溜钩

YiMoon

西门子1847工业学习平台

  • 帖子

    1228
  • 精华

    36
  • 被关注

    87

论坛等级:至圣

注册时间:2005-04-14

黄金 黄金 如何晋级?

发布于 2019-01-24 10:47:14

136楼

展开查看
以下是引用威师爷在2019-01-23 17:24:04的发言 >135楼

楼主现在是V/F控制,我想了解一下V/F曲线参数 零频率时的电压是?%多少?U/F中间点频率设置的是多少?


零频率时的电压这个参数的大小可以补偿低频转矩不足的问题。不能太小,也不能太大,设置的太大会导致电流极限报警。。。。

回威师爷,现在用的是SLVC控制的;

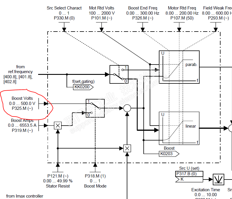
零频率:指的是起升电压P325吗?我之前V/F控制时,设定的42V;

中间频率:这个我没有设置,我不知道你说的是哪个参数。我一速频率给定:15HZ,二速频率给定:30HZ

 

Keep calm and carry on!!!
评论
编辑推荐: 关闭

请填写推广理由:

本版热门话题

MasterDrives

共有5851条技术帖

相关推荐

热门标签

相关帖子推荐

guzhang

恭喜,你发布的帖子

评为精华帖!

快扫描右侧二维码晒一晒吧!

再发帖或跟帖交流2条,就能晋升VIP啦!开启更多专属权限!

  • 分享

  • 只看
    楼主

top
您收到0封站内信:
×
×
信息提示
很抱歉!您所访问的页面不存在,或网址发生了变化,请稍后再试。