回复:PLC非致命错误,存在非法数字值,检查程序比较为两个浮点数,麻烦大家帮忙看一下事什么原因

haoge424

西门子1847工业学习平台

  • 帖子

    122
  • 精华

    0
  • 被关注

    5

论坛等级:游侠

注册时间:2017-05-21

普通 普通 如何晋级?

发布于 2019-02-16 08:26:12

9楼

展开查看
以下是引用芳季在2019-02-15 23:16:15的发言 >8楼

这是因为你程序中没有使用过LD4。而LD0就有用。是吧?

出错会是在前面触点不成立的时候是吧?

这是同级子程序共享了LD0造成的。

不成立时LD0遗留着另一个使用LD0时的值,使比较指令数值非法。所以报警。

如果不信,你可以在比较之前用mov指令一直取出LD0的值到某处。到出事的时候,你翻看此值,此值将会是一个你熟悉的值,此值是plc stop之前最后的一个值,也是第一个非法值。

一句话:LD被多重赋值过。

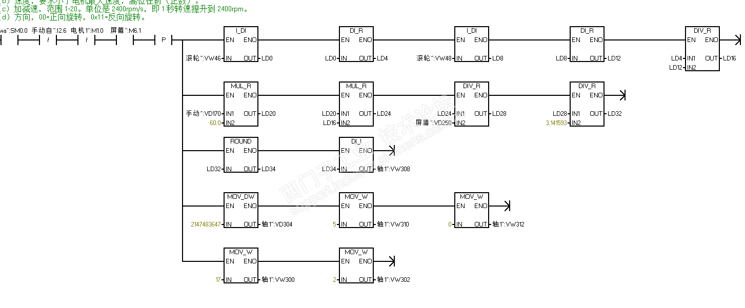
季侠好,下图为您说的上级子程序,我在里面大量的引用了未定义的LD存储器作为累加器使用,LD0LD4都使用了。

再就是触时不成立时,比较非法有点理解不了



评论
编辑推荐: 关闭

请填写推广理由:

本版热门话题

SIMATIC S7-200 SMART

共有8931条技术帖

相关推荐

热门标签

相关帖子推荐

guzhang

恭喜,你发布的帖子

评为精华帖!

快扫描右侧二维码晒一晒吧!

再发帖或跟帖交流2条,就能晋升VIP啦!开启更多专属权限!

  • 分享

  • 只看
    楼主

top
您收到0封站内信:
×
×
信息提示
很抱歉!您所访问的页面不存在,或网址发生了变化,请稍后再试。