ET200sp 接线问题

已锁定

西门空空

  • 帖子

    14
  • 精华

    0
  • 被关注

    0

论坛等级:游民

注册时间:2013-10-11

普通 普通 如何晋级?

ET200sp 接线问题

1802

5

2019-03-07 22:37:59

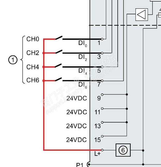
求助!问题:因为第一次用ET200sp的IO模块,接线看手册上不是很明白。

1.如:DI接线,如果是干触点开关,按照手册直接一端接24V,一端接对应信号通道如DI0,如图:


但如果外部输入的开关本来就是带源的,除了用继电器中转有没有别的办法?


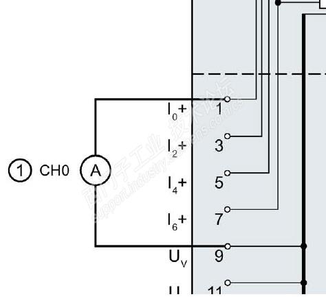
2.AI也是同样问题。正常电流信号传感器接线如下,但如果有源的传感器呢?

3.AQ模块,样本上也没说明输出的是有源还是无源。

以上问题,请各位大侠赐教。


ET200sp 接线问题 已锁定
编辑推荐: 关闭

请填写推广理由:

本版热门话题

SIMATIC S7-1500系列

共有10846条技术帖

相关推荐

热门标签

相关帖子推荐

guzhang

恭喜,你发布的帖子

评为精华帖!

快扫描右侧二维码晒一晒吧!

再发帖或跟帖交流2条,就能晋升VIP啦!开启更多专属权限!

  • 分享

  • 只看
    楼主

top
X 图片
您收到0封站内信:
×
×
信息提示
很抱歉!您所访问的页面不存在,或网址发生了变化,请稍后再试。