求大神解惑,关于S120转矩控制

已锁定

小黑胖子

  • 帖子

    19
  • 精华

    2
  • 被关注

    3

论坛等级:游士

注册时间:2016-09-12

普通 普通 如何晋级?

求大神解惑,关于S120转矩控制

1020

8

2019-03-14 18:40:11



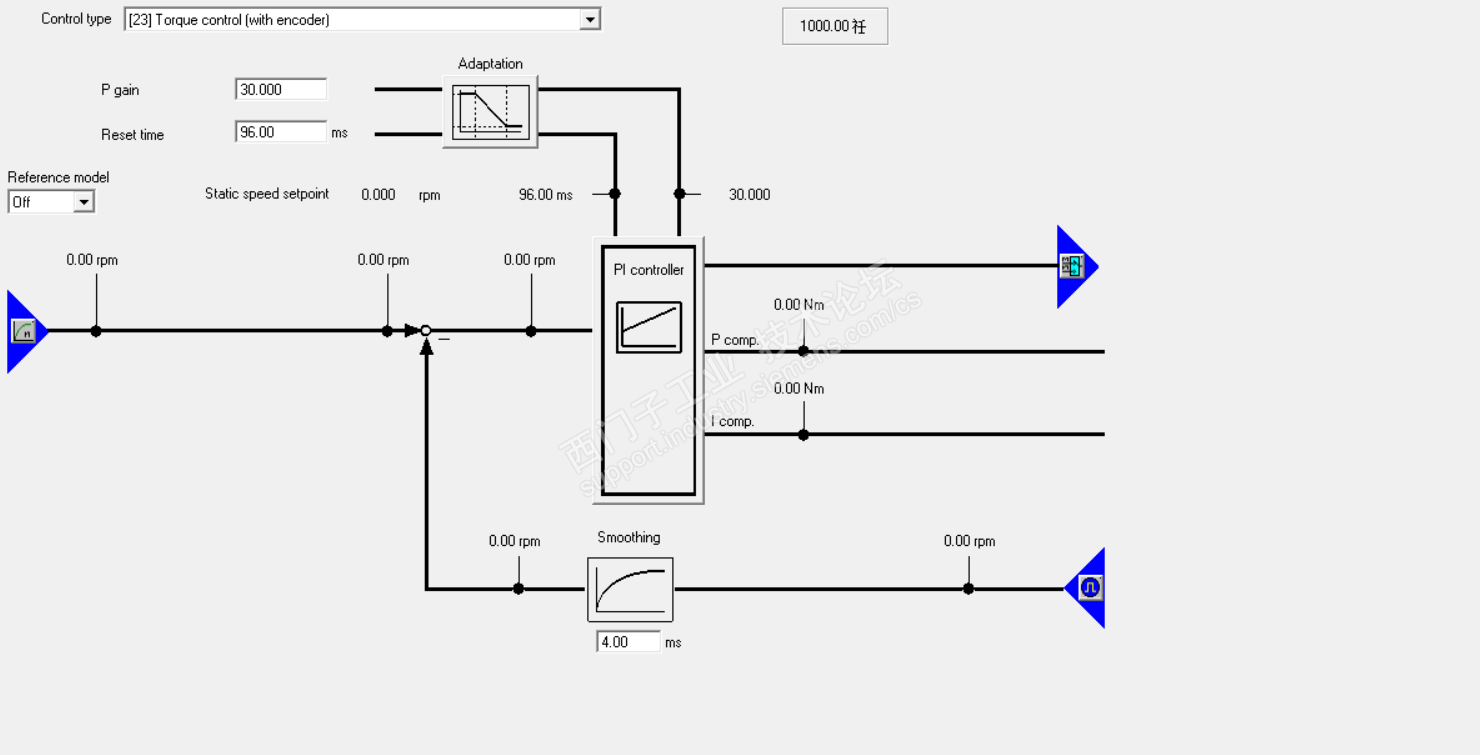
请问各位大佬,如图所示,我所用的是转矩控制方式,我想问的是除了P1517以外,还有什么优化转矩控制响应的呢,感觉响应比较慢,但是增益比较大,请教各位大佬,转矩控制有什么可以优化的方式吗,P1910和P1960应该对于优化没有什么大的作用吧,还请各位大佬指教



这个界面对优化有帮助吗?

求大神解惑,关于S120转矩控制 已锁定
编辑推荐: 关闭

请填写推广理由:

本版热门话题

SINAMICS

共有8209条技术帖

相关推荐

热门标签

相关帖子推荐

guzhang

恭喜,你发布的帖子

评为精华帖!

快扫描右侧二维码晒一晒吧!

再发帖或跟帖交流2条,就能晋升VIP啦!开启更多专属权限!

  • 分享

  • 只看
    楼主

top
X 图片
您收到0封站内信:
×
×
信息提示
很抱歉!您所访问的页面不存在,或网址发生了变化,请稍后再试。