间接寻址之冒泡法

已锁定

小猪宝宝♂

  • 帖子

    252
  • 精华

    4
  • 被关注

    58

论坛等级:侠圣

注册时间:2014-01-21

黄金 黄金 如何晋级?

间接寻址之冒泡法

6229

6

2019-03-19 15:29:46

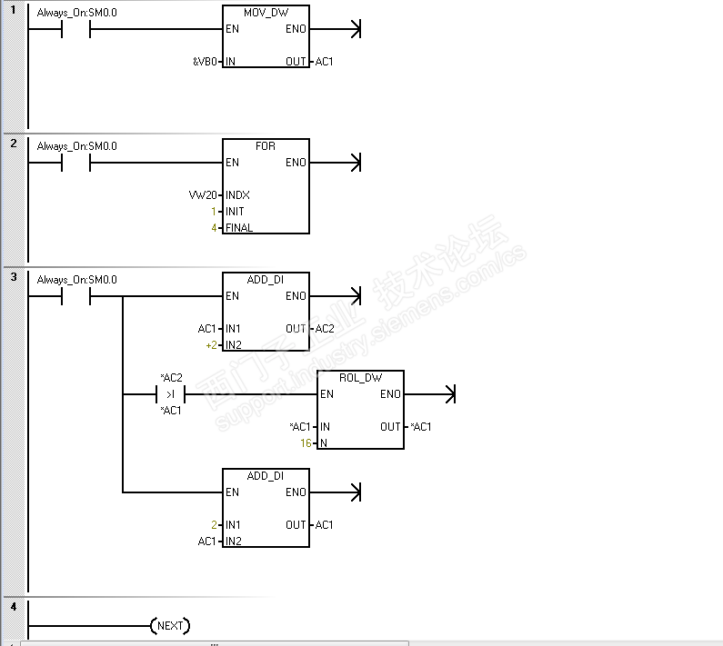
这两天学习了一个间接寻址的用法,C语言有冒泡法的应用,所以想用PLC的梯形图做一个冒泡程序的编写。也和好多大咖讨论了一下。具体如图片中的程序。大体思路是:

1、建立一个指针

2、用FOR循环指令

3、先将指针地址偏移2给另外一个变量

4、将没有偏移地址的值和已经偏移地址的里面的值进行比较,如果大的数值在后面,将两个值的位置互换

5、指针地址加2,偏移到下一个数值,去进行第二个数和第三个数的比较

6、FOR循环结束

程序和运行效果如图







间接寻址之冒泡法 已锁定
编辑推荐: 关闭

请填写推广理由:

本版热门话题

SIMATIC S7-200 SMART

共有9389条技术帖

相关推荐

热门标签

相关帖子推荐

guzhang

恭喜,你发布的帖子

评为精华帖!

快扫描右侧二维码晒一晒吧!

再发帖或跟帖交流2条,就能晋升VIP啦!开启更多专属权限!

  • 分享

  • 只看
    楼主

top
X 图片
您收到0封站内信:
×
×
信息提示
很抱歉!您所访问的页面不存在,或网址发生了变化,请稍后再试。