回复:PPU上100端口坏了 连101端口

gelu172

  • 帖子

    1375
  • 精华

    32
  • 被关注

    171

论坛等级:至圣

注册时间:2010-09-26

黄金 黄金 如何晋级?

发布于 2019-04-10 15:17:35

4楼

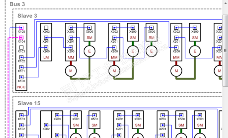
X100可以改X101,但是拓扑结构完全改变了,不能无脑换。 

熟悉Create My Config的话,就好办了。CMC Topo里边用原来X100连接的DriveCliq口换到X101即可。

举例,打开驱动端DP的备份。X104口,希望把它移到X103口上。

 如下图,选中X104口的这根线,它是连接到NX上的。

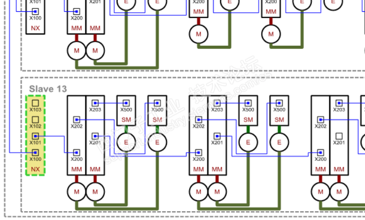
 如下图,拖住这根线不放,拽到X103口上,看到该口变成绿色虚线,放手。

 如下图,此时图像会自动跳到其对应的NX端。

 

如下图,上方拓扑图上,连接已经改成X103口了,但是红色显示,还有问题。

 如下图,左下方显示,驱动对象为空,需要选择。

如下图,选中之前的驱动组3_14。

 

 如下图,选中后,此时显示和第一幅图一样了,驱动组连接成功。

 如下图,X103的颜色显示正常。保存,收工。

 接下来,现场换X104头成X103头,再恢复DP数据即可。

和这个例子相同,楼主你这个也只要改X100成X101即可,操作大体相仿。

祝楼主好运。



评论
编辑推荐: 关闭

请填写推广理由:

本版热门话题

SINUMERIK

共有25746条技术帖

相关推荐

热门标签

相关帖子推荐

guzhang

恭喜,你发布的帖子

评为精华帖!

快扫描右侧二维码晒一晒吧!

再发帖或跟帖交流2条,就能晋升VIP啦!开启更多专属权限!

  • 分享

  • 只看
    楼主

top
X 图片
您收到0封站内信:
×
×
信息提示
很抱歉!您所访问的页面不存在,或网址发生了变化,请稍后再试。