回复:S120变频器PI速度控制器的调整,求助。

kdrjl

版主 西门子1847工业学习平台

  • 帖子

    36720
  • 精华

    451
  • 被关注

    1451

论坛等级:至圣

注册时间:2003-06-06

钻石 钻石 如何晋级?

发布于 2019-04-27 15:39:03

17楼

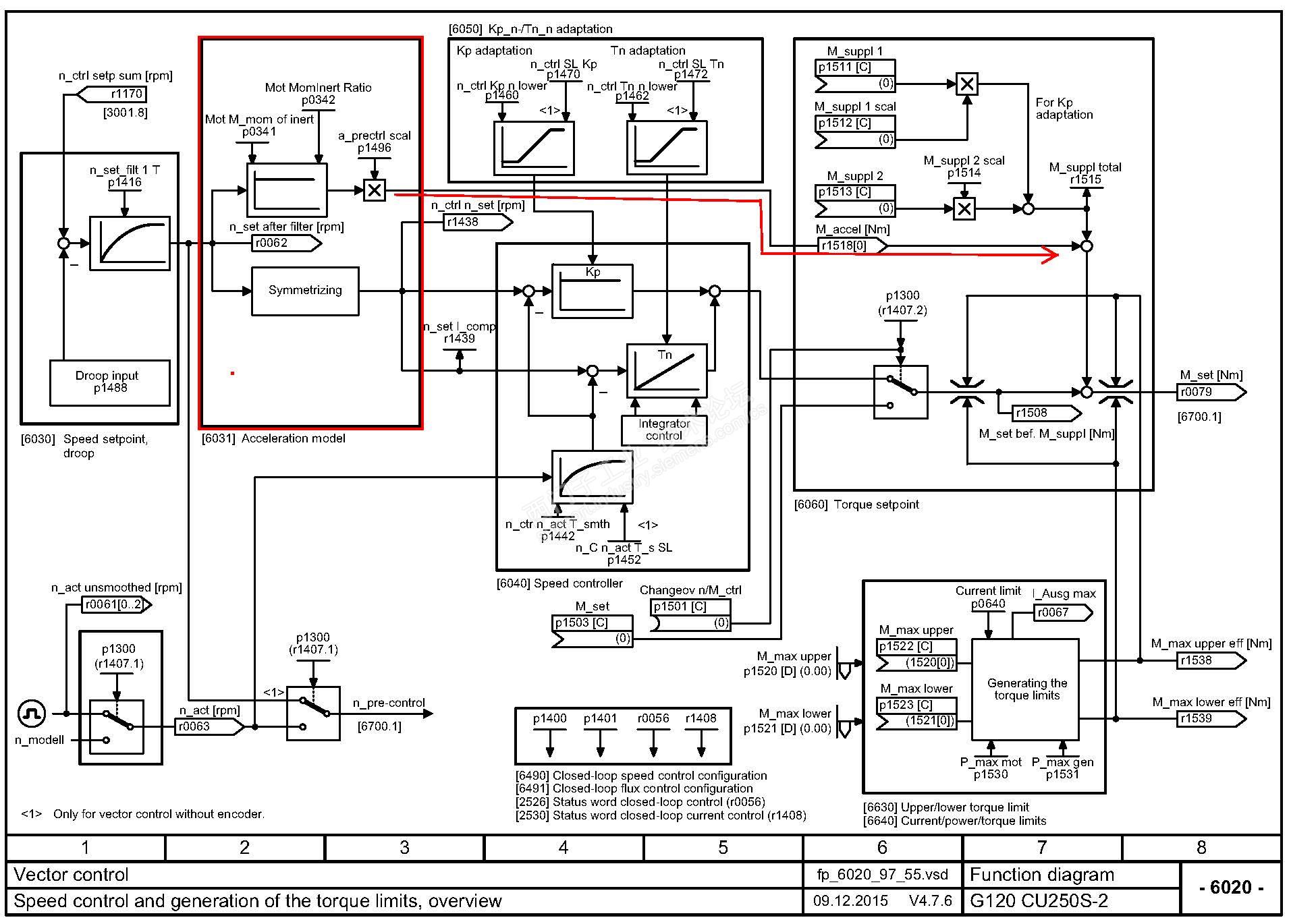
不管是带着负载轴做优化还是不带着做,起码要知道负载轴的转动惯量与电机轴的转动惯量之比,大概的数量级要有数,否则就是瞎搞。用测试法,一点一点的去试。那也应该有个方向吧?唉...。


楼主的参数一出来,我就感到有两个问题没搞对。


第一,就是P1460的P与P1462的I,它们的乘积是多少?40*4000 = 160s。160秒的时间常数,接近3分钟了。是不是有些过了?邪乎了?


第二,那个r345,为什么要晒这个参数?这个参数对速度调节器的控制特性起着至关重要的作用。它既是PI参数乘积计算值的依据来源,也是系统转动惯量补偿大小的依据来源。



红色框图电机的参数是要参与转动惯量,加速度补偿的。

我是你的朋友
评论
编辑推荐: 关闭

请填写推广理由:

本版热门话题

SINAMICS

共有8134条技术帖

相关推荐

热门标签

相关帖子推荐

guzhang

恭喜,你发布的帖子

评为精华帖!

快扫描右侧二维码晒一晒吧!

再发帖或跟帖交流2条,就能晋升VIP啦!开启更多专属权限!

  • 分享

  • 只看
    楼主

top
X 图片
您收到0封站内信:
×
×
信息提示
很抱歉!您所访问的页面不存在,或网址发生了变化,请稍后再试。