840D pl系统 滤波器阻尼电阻烧坏(设备是德国进口的桁架机械手)

已锁定

仙道VS科比

  • 帖子

    36
  • 精华

    0
  • 被关注

    2

论坛等级:游侠

注册时间:2012-01-07

普通 普通 如何晋级?

840D pl系统 滤波器阻尼电阻烧坏(设备是德国进口的桁架机械手)

904

13

2019-05-09 09:35:22

 

 

 

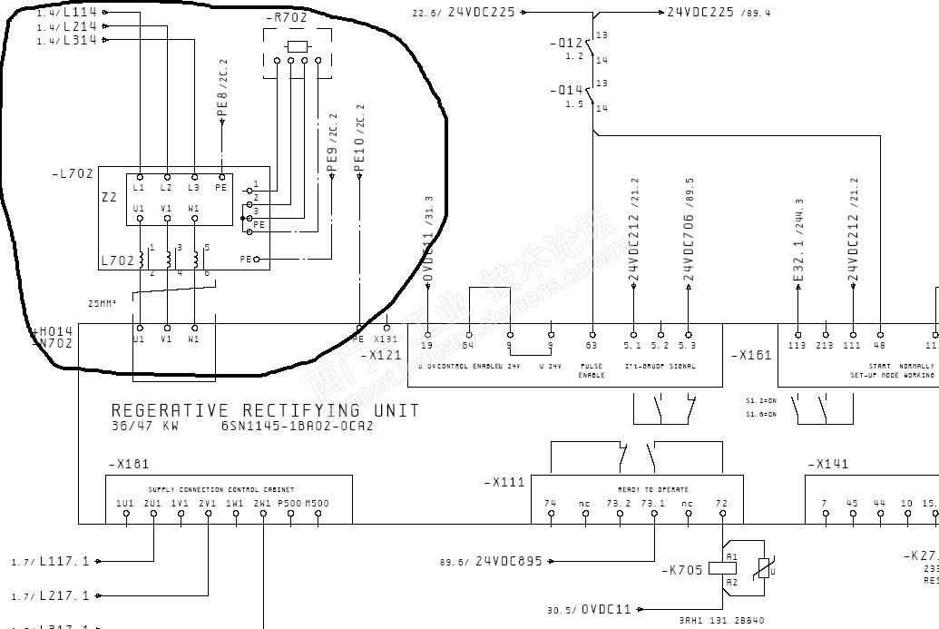
 如图,图中黑线圈出的部分烧坏连续烧坏两次,各位大神,请帮着分析一下是什么原因,急等!

840D pl系统 滤波器阻尼电阻烧坏(设备是德国进口的桁架机械手) 已锁定
编辑推荐: 关闭

请填写推广理由:

本版热门话题

SINUMERIK

共有25606条技术帖

相关推荐

热门标签

相关帖子推荐

guzhang

恭喜,你发布的帖子

评为精华帖!

快扫描右侧二维码晒一晒吧!

再发帖或跟帖交流2条,就能晋升VIP啦!开启更多专属权限!

  • 分享

  • 只看
    楼主

top
X 图片
您收到0封站内信:
×
×
信息提示
很抱歉!您所访问的页面不存在,或网址发生了变化,请稍后再试。