回复:关于提高母线电压,增大输出电压的疑惑

LLLWH

西门子1847工业学习平台

  • 帖子

    655
  • 精华

    36
  • 被关注

    50

论坛等级:奇侠

注册时间:2008-11-11

白金 白金 如何晋级?

发布于 2019-05-10 10:06:25

13楼

展开查看
以下是引用HUANGZE75在2019-05-10 08:46:49的发言 >10楼

常用的灭蚊灯也是将普通的AC220V上升到高压,将蚊子电击死,估计原理差不多吧。电容等储能元件不会少吧。

以下是引用LLLWH在2019-05-09 17:11:52的发言 >8楼:   母线电压和输入...

引用8楼详细内容:

   母线电压和输入电源相关,就是说输入电压决定了母线电压,您如何在输入电压不变的情况下能把母线电压调高的呢

    看了一下手册,原来是这样


   它得向上调节母线电压,最高是电源的1,41倍,就是母线加电容时的最高点压。所以调高母线电压前提是母线电容容量要够。不然带载会下跌。


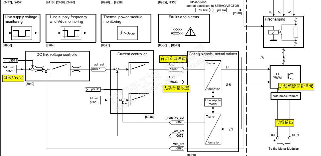
那母线电压下调就好理解了,因为它的进线整流不是二极管,而是IGBT,这是为了满足回馈的功能,但同时它也可以在整流状态时控制导通角来向下调节母线电压。见下图。




精华帖版主置评:理解得很对。要想能升压,必须有电感元件在其中。没有的话。别想能升压。正如所示。1.41倍就是可能的极限。也就是个理论上极限。是否有实际作用。难说。-yming

评论
编辑推荐: 关闭

请填写推广理由:

本版热门话题

SINAMICS

共有8095条技术帖

相关推荐

热门标签

相关帖子推荐

guzhang

恭喜,你发布的帖子

评为精华帖!

快扫描右侧二维码晒一晒吧!

再发帖或跟帖交流2条,就能晋升VIP啦!开启更多专属权限!

  • 分享

  • 只看
    楼主

top
您收到0封站内信:
×
×
信息提示
很抱歉!您所访问的页面不存在,或网址发生了变化,请稍后再试。