2019 年“西门子杯”中国智能制造挑战赛智能制造工程设计与应用类赛项:流程行业自动化方向样题(本科组)
本样题是为了让参赛队伍了解赛项《智能制造工程设计与应用类赛项:流程行业自动化方向》的工艺对象及控制要求。参赛队伍根据本样题的要求进行工艺分析、开车步骤设计、仪表选型及控制系统设计等。在仿真对象发布后,可进行控制方案优化、控制参数调试、控制方案实施等,以形成完整的设计方案。在完成基本控制设计的基础上,提倡从先进控制、生产优化、节能、安全等多角度出发进行方案的设计与实施。在正式比赛时,参赛选手将得到一份正式赛题。正式赛题与样题在物性参数、工艺参数、设备参数、对象特性、控制要求、评分考查点及扰动类型等方面会有 10~30%的差异。
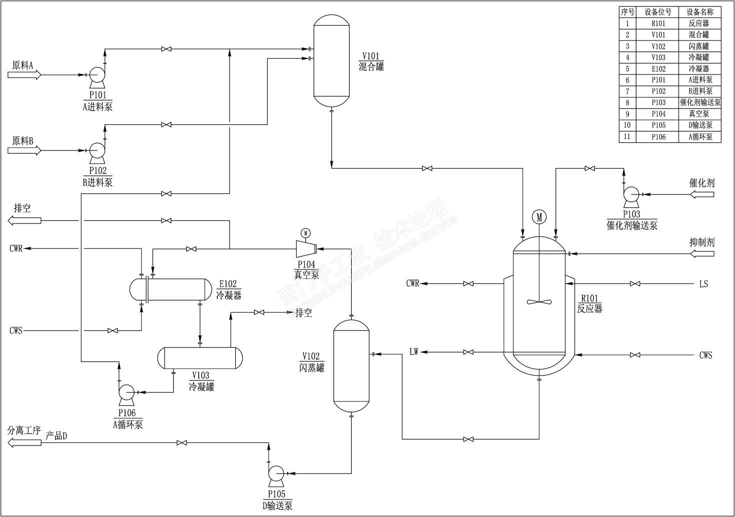
一、工艺描述某反应工艺过程如下图所示:

该放热反应过程在催化剂 C 的作用下,原料 A 与原料 B 反应生成主产物 D 和副产物 E,反应方程式如下:
主反应:2A + B —>D 副反应:A + B —> E 其中,主生成物 D 是所需产品,副生成物 E 是杂质,主、副反应均为强放热反应。为了获得较高的反应转化率,采用原料 A 过量的工艺。
原料 A 与原料 B 分别由原料 A 进料泵 P101、原料 B 进料泵 P102 输送进入混合罐 V101(立式罐)内混合,混合物料进入放热反应器 R101 进行反应,反应所需的催化剂 C,由催化剂 C 输送泵 P103 从反应器顶部加入。为了缩短物料到达活化温度的时间,在反应初始阶段,反应器 R101 采用夹套蒸汽加热。之后反应放热强烈,反应器 R101 采用内盘管式水冷却。反应转化率与反应温度、停留时间、反应物料浓度及混合配比有关,反应体系气相压力对温度敏感,在冷却失效产生的高温条件下,过高的气相压力使反应器有爆炸的风险。在反应器顶部设置一路抑制剂,当反应压力过高危及安全时,通入抑制剂 F,使催化剂 C 迅速中毒失活,从而中止反应。
反应器 R101 底部出口生成物含有产品 D、杂质 E,催化剂 C、以及未反应的原料 A 和少量原料 B,为了回收原料 A,在反应器下游设置闪蒸罐 V102,将混合生成物(D+E+C+A+B)中过量的原料 A 分离提纯。闪蒸罐 V102 顶部采出混合物(D+E+C+A+B)为气相,首先进入冷凝器 E102 与冷却水进行换热冷凝,冷凝后的混合物进入冷凝罐 V103,通过循环泵 P106 再送入混合罐 V101 循环利用。闪蒸罐 V102 底部的混合生成物(D+E+C+A+B)经输送泵加压,送到下游分离工序,进行提纯精制,以分离出产品 D。
反应生产装置提供最大负荷:原料 A 最大流量为 32.292t/h;原料 B 最大流量为 12.384t/h;催化剂 C 最大流量为 4.176t/h;装置最大产能:产品 D 最大产量为 47.35t/h。



//***********************************************************************************************//
本人为在校大学生,去年也参加过西门子的比赛,因为能力不足只拿了初赛二等奖,今年实在心有不甘想进国赛。经过这几个月的冥思苦想终于完成了初赛的程序,奈何最后产品的产量还是没达到能让我稳进决赛的程度。恳请各位大佬们对于提高这个工艺流程的产物产量给些建议(例如闪蒸罐该设置压强到什么范围附近闪蒸效率较好)
感谢各位大佬
智能制造工程设计与应用类赛项-流程行业自动化方向-样题-本科组.pdf