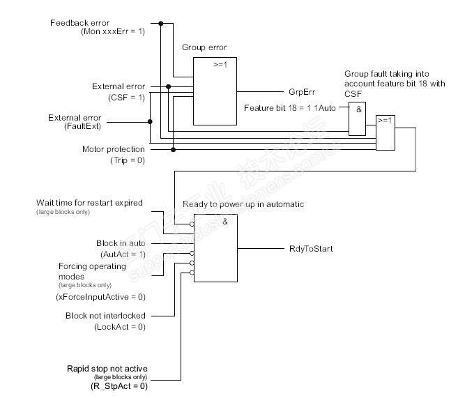
用PCS7 APL功能库中控制块的RdyToStart引脚做连锁的小伙伴注意了,APL块中的逻辑写错了,和手册中描述的效果不符。下面图片为描述的RdyToStart的逻辑:

RdyToStart的本意是当设备在自动模式下,没有故障、没有Rapid stop、Feature bit18位设置为1时,没有CSF错误,Feature bit18位设置为0时,不考虑CSF错误信号,此时的RdyToStart为1。我们可以通过设置Feature bit 18为1来屏蔽CSF。但是我们看一下APL块中的程序逻辑,如下图:

程序中,如果CSF.Value为1的时候,GrpErr.Value为1,我们再看红色标记内的逻辑,只要GrpErr.Value为1时L107.2就会为0,不管xFeatCSFwithError(这个就是feature bit 18:Grop fault taking into acount feature bit 18 with CSF)是1还是0,意思就只要GSF输入为1,那么 RdyToStart就会为0,不能通过 feature bit 18来屏蔽CSF这个信号。
希望小伙伴们使用的时候注意,如果有西门子的工程师看到这篇帖子请反馈一下,把这个Bug修复一下!