轮询加热该怎样编程

已锁定

沉沉l

  • 帖子

    46
  • 精华

    0
  • 被关注

    1

论坛等级:游士

注册时间:2019-03-16

普通 普通 如何晋级?

轮询加热该怎样编程

758

2

2019-05-25 08:45:38



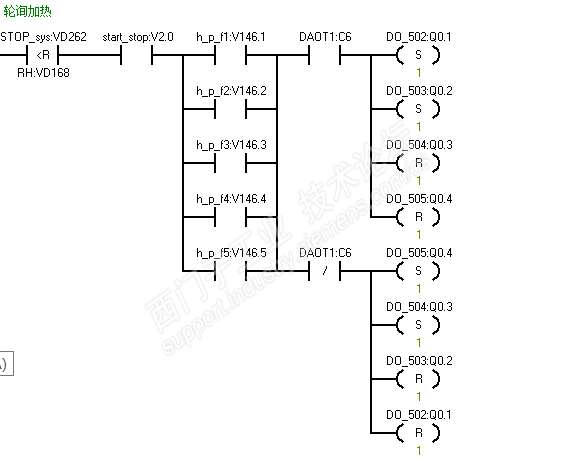
各位给看看,我想实现图一轮询加热轮询时间可设置,图二这样编程不行,一组是按设置时间加热,到了另一组就一分钟,各位给看看该怎样编程。指导个思路

轮询加热该怎样编程 已锁定
编辑推荐: 关闭

请填写推广理由:

本版热门话题

SIMATIC S7-200 SMART

共有9023条技术帖

相关推荐

热门标签

相关帖子推荐

guzhang

恭喜,你发布的帖子

评为精华帖!

快扫描右侧二维码晒一晒吧!

再发帖或跟帖交流2条,就能晋升VIP啦!开启更多专属权限!

  • 分享

  • 只看
    楼主

top
X 图片
您收到0封站内信:
×
×
信息提示
很抱歉!您所访问的页面不存在,或网址发生了变化,请稍后再试。