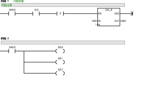
字节左移指令为什么IN写入VB0,OUT 写入QB0,N位写入1,移动一位后不往左移了

已锁定

手机用户20190517108598

  • 帖子

    17
  • 精华

    0
  • 被关注

    2

论坛等级:游民

注册时间:2019-05-17

普通 普通 如何晋级?

字节左移指令为什么IN写入VB0,OUT 写入QB0,N位写入1,移动一位后不往左移了

3448

11

2019-07-04 16:51:52

字节左移指令为什么IN写入VB0,OUT 写入QB0,N位写入1,移动一位后不往左移了





字节左移指令为什么IN写入VB0,OUT 写入QB0,N位写入1,移动一位后不往左移了 已锁定
编辑推荐: 关闭

请填写推广理由:

本版热门话题

SIMATIC S7-200

共有33297条技术帖

相关推荐

热门标签

相关帖子推荐

guzhang

恭喜,你发布的帖子

评为精华帖!

快扫描右侧二维码晒一晒吧!

再发帖或跟帖交流2条,就能晋升VIP啦!开启更多专属权限!

  • 分享

  • 只看
    楼主

top
X 图片
您收到0封站内信:
×
×
信息提示
很抱歉!您所访问的页面不存在,或网址发生了变化,请稍后再试。