回复:第一次维修6SE70系列800KW主从并联整流柜

YiMoon

西门子1847工业学习平台

  • 帖子

    1229
  • 精华

    36
  • 被关注

    88

论坛等级:至圣

注册时间:2005-04-14

黄金 黄金 如何晋级?

发布于 2019-07-17 15:50:07

4楼

展开查看
以下是引用LLLWH在2019-07-17 15:36:38的发言 >2楼

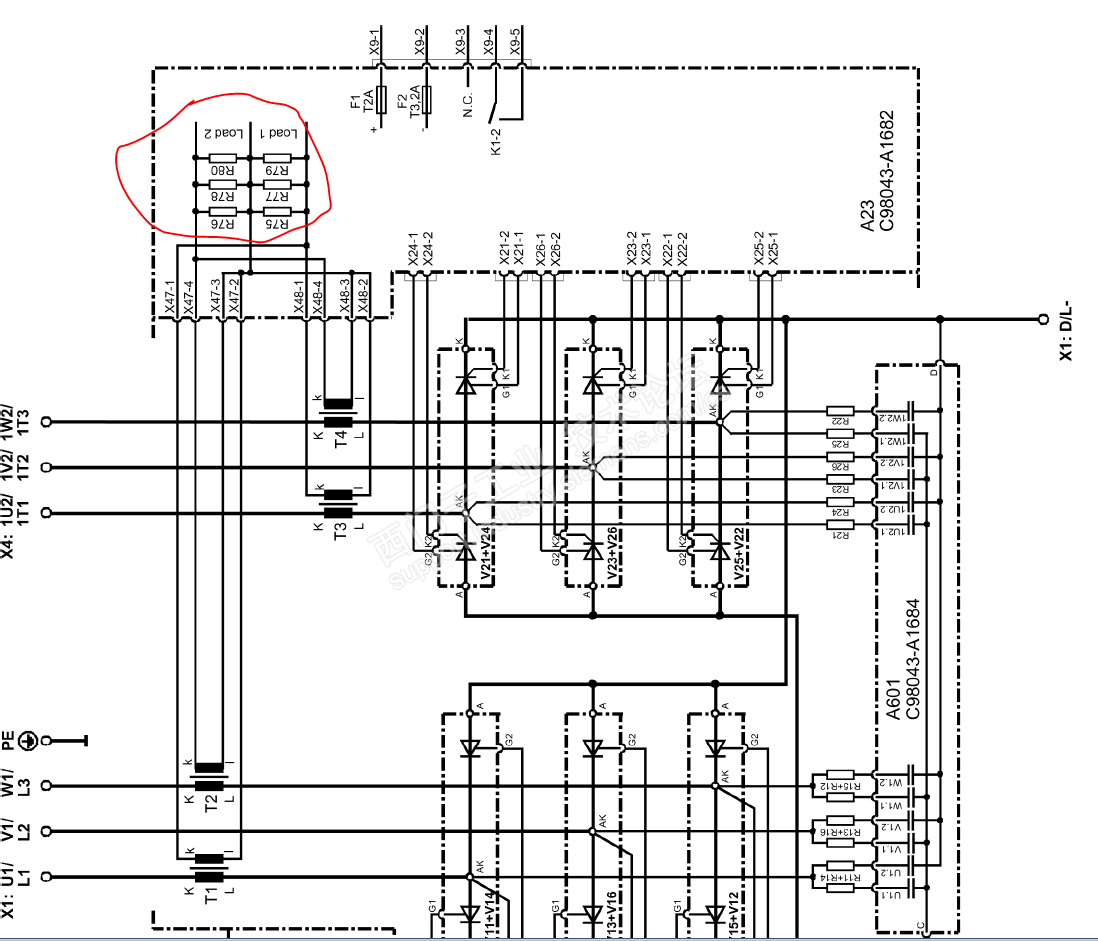
 好分享。过程思维逻辑清晰。经验丰富。看到触发板一共有12个脉冲变压器的位置,实际因为是单桥所以只焊接了6个。所以触发板上部没用脉冲变压器的部分的那3个电阻应该没有用。底下的3个电阻在起作用。循着下面3个电阻的PCB路径可以知道它是起什么作用的。

佩服,所以现在趁空闲时间,加紧学习一下,发现了这6个电阻



Keep calm and carry on!!!
评论
编辑推荐: 关闭

请填写推广理由:

本版热门话题

MasterDrives

共有5854条技术帖

相关推荐

热门标签

相关帖子推荐

guzhang

恭喜,你发布的帖子

评为精华帖!

快扫描右侧二维码晒一晒吧!

再发帖或跟帖交流2条,就能晋升VIP啦!开启更多专属权限!

  • 分享

  • 只看
    楼主

top
X 图片
您收到0封站内信:
×
×
信息提示
很抱歉!您所访问的页面不存在,或网址发生了变化,请稍后再试。