回复:对于摩擦补偿,如何获得相对准确的摩擦转矩,有什么具体方法吗?

CK DONG

西门子1847工业学习平台

  • 帖子

    639
  • 精华

    6
  • 被关注

    39

论坛等级:奇侠

注册时间:2014-10-11

黄金 黄金 如何晋级?

发布于 2019-07-18 14:25:32

3楼

展开查看
以下是引用kdrjl在2019-07-08 21:44:37的发言 >2楼

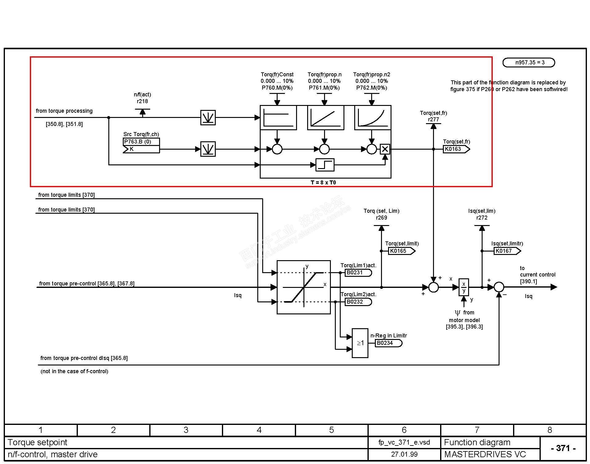
这张图,是西家传动6SE70的功能图。它描述的摩擦转矩是以标准的二次方程曲线来做补偿的。其思路可以参考并移植到S120的系统里。其原理是一样的。


这张图示,是西家传动6RA70的功能图。它对摩擦转矩补偿的形式,是以特性曲线形式描述的。同样,我们可以将其借鉴到SINAMICS的传动控制中。


因为G120的自由功能块里,有特性曲线;S120里有DCC,所以,想补偿摩擦转矩没有压力。完全可以。问题是,这个系统摩擦转矩,要实测获取。


一旦有了实测的一条线,特性曲线块可以直接用。或者将实测的线,在EXCEL里转换成二次方程。以方程的形式(用DCC功能块)做补偿。

我们也用到摩擦系数,摩擦补偿之类的,看到k版说的了,虽然大部分看不懂,但是先点个赞再说!

最后看到了k版说的二次方程,顿时有种回去再上学的冲动!

QQ群592162017,电气绘图、自动化维护交流!
评论
编辑推荐: 关闭

请填写推广理由:

本版热门话题

专家大讲堂课后探讨

共有136条技术帖

相关推荐

热门标签

相关帖子推荐

guzhang

恭喜,你发布的帖子

评为精华帖!

快扫描右侧二维码晒一晒吧!

再发帖或跟帖交流2条,就能晋升VIP啦!开启更多专属权限!

  • 分享

  • 只看
    楼主

top
您收到0封站内信:
×
×
信息提示
很抱歉!您所访问的页面不存在,或网址发生了变化,请稍后再试。