展开查看
以下是引用茂哥在2019-10-07 16:14:40的发言 >:
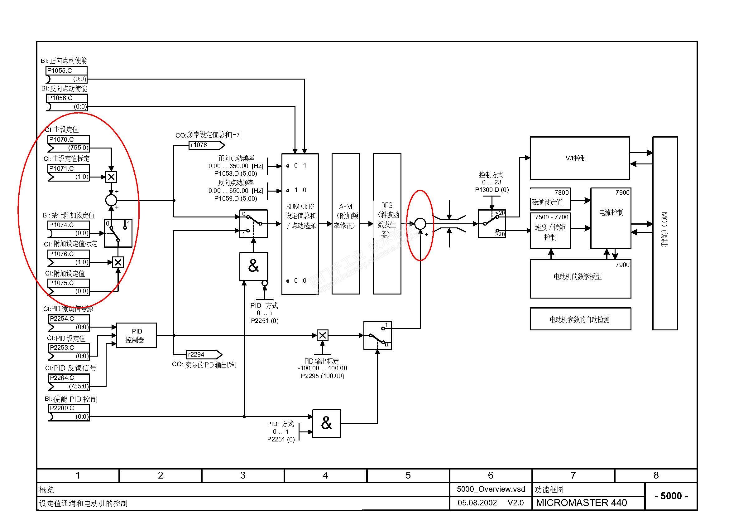
kdrjl版主,您好,大家好!是这样的,原来的卷绕机采取英国欧陆公司的590直流调速器控制,现准备通过MM440变频器驱动交流电机实施改造。变频器1,2,3,4控制端子作为主给定,10,11控制端子作为速度微调口,即可以在主速度的基础上进行+/-20%的微调。参数怎样设置,怎样接线。
自己看手册去。
作为主给定的设定值通道里,加法器的节点很多呢,西家传动的BiCo功能互联,不会用吗?唉...。

另外,点赞楼上的观点!用G120更好,更便宜。