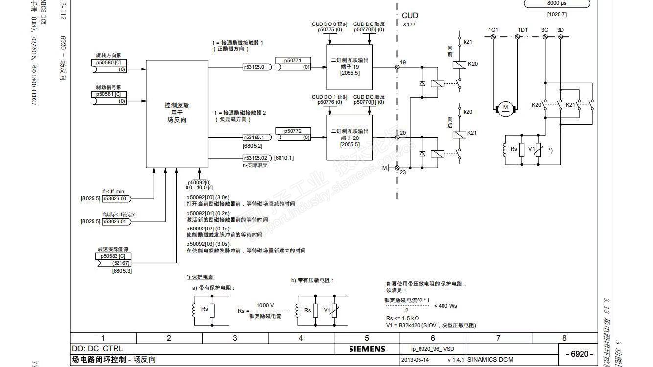
1、励磁反向
按功能6920场反向控制,只要P50580方向的源有改变,经过P50092的条件,就能控制P50771与P50772的输出。我16年第一次使用6RA80时,咨询过技术支持,他说这个功能在80装置上实现不了。我的控制系统是纯继电器控制,没有PLC,当时为了反向,直接在外部对励磁正反向交流接触器进行切换,但是这个切换有一个可怕的地方,当励磁未衰减时,接触触头就会挂掉。装置参数P50082=2,P50258=10时;现场操作人员未等到励磁降到0A时,就直接切换反向,控制柜内火光闪闪,总电源关都来不及,接触器还是烧了。后来就直接把P50258设定为0了,并指导现场操作工注意事项。80的装置上市到现在已经有几年时间了,不知道这个功能有没有实现?
2、合闸、使能后未给速度信号,电机自动运行
装置6RA8085-6DS22-0AA0;直流电机ZKGP-121-1B 160KW励磁6.93A,电枢396A、440V;测速机110V/2000r/min。使用电动电位计或电位器控制。电机为空机,未带任何负载。P50051=24、25、26的优化做的很顺利。
a、当我合闸、使能时,在未给速度信号时(电动电位计),电机运转起来了,并有加速的现象,运行不到2S,报F60042故障。思前想后,没搞明白怎么回事?!我检测了开关、端子板,都正常。
b、没有找到问题,我就把电动电位计改成了电位器,现象依旧?!
c、回想之前的动作,并没发现问题。我从新做了一次优化,优化过程中没有异常。可问题还是一样!
d、我把P50083改成3,内部实际值EMF。起动后正常,加减速也正常。
这个问题是未带负载,如果带上负载不知道是否还会这样,等安装后测试一下。这种情况不知道各位老师有没有碰到过,产生这样现象的原因是什么?