Smart 200 自定义库 V存储器分配

已锁定

男神不回家

  • 帖子

    11
  • 精华

    0
  • 被关注

    1

论坛等级:游民

注册时间:2015-03-22

普通 普通 如何晋级?

Smart 200 自定义库 V存储器分配

13006

7

2019-11-04 09:36:24

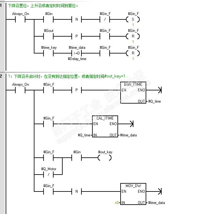
在创建自定义库时,V区存储器只能分配一次,在反复调用一个库时程序逻辑出错。应该时反复调用库造成存储器重复使用,请问一下怎么避免这个问题。或者有没有更好的办法解决这个问题。

调用系统库时反复调用一个库多次也没有出错,自己做的库调用一次正常,2次以上出错。请大家帮忙解惑,谢谢!






Smart 200 自定义库 V存储器分配 已锁定
编辑推荐: 关闭

请填写推广理由:

本版热门话题

SIMATIC S7-200 SMART

共有9420条技术帖

相关推荐

热门标签

相关帖子推荐

guzhang

恭喜,你发布的帖子

评为精华帖!

快扫描右侧二维码晒一晒吧!

再发帖或跟帖交流2条,就能晋升VIP啦!开启更多专属权限!

  • 分享

  • 只看
    楼主

top
X 图片
您收到0封站内信:
×
×
信息提示
很抱歉!您所访问的页面不存在,或网址发生了变化,请稍后再试。