回复:LOGO 230 可以这么接么?

高山孤影

  • 帖子

    3528
  • 精华

    108
  • 被关注

    314

论坛等级:至圣

注册时间:2012-03-03

钻石 钻石 如何晋级?

发布于 2019-11-11 18:26:37

9楼

展开查看
以下是引用yming在2019-11-11 17:25:22的发言 >8楼

感谢!我觉得也是。



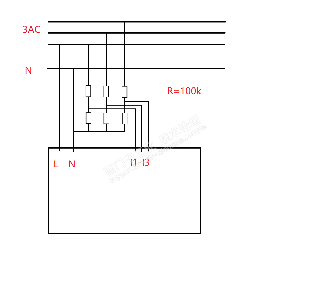
120V 1mA;R至少1/8W。

以下是引用高山孤影在2019-11-11 13:09:14的发言 >6楼:这个问题以前有过讨...

引用6楼详细内容:

这个问题以前有过讨论,说明书上规定了同一组输入必须接同一相,y版如果想接不同相的电源,可以考虑每一相加两个电阻分压,这个我用过,没什么问题,有条件的话,可以用变压器。

对头,就是这样子的,电阻功率取0.5w就可以了,余量小了有点热。

http://blog.163.com/xiuzhang_2000/
评论
编辑推荐: 关闭

请填写推广理由:

本版热门话题

LOGO!

共有2405条技术帖

相关推荐

热门标签

相关帖子推荐

guzhang

恭喜,你发布的帖子

评为精华帖!

快扫描右侧二维码晒一晒吧!

再发帖或跟帖交流2条,就能晋升VIP啦!开启更多专属权限!

  • 分享

  • 只看
    楼主

top
X 图片
您收到0封站内信:
×
×
信息提示
很抱歉!您所访问的页面不存在,或网址发生了变化,请稍后再试。