请问Smart200帮助文件里的 自由口通讯RCV接收实例 例子1 是否不对

已锁定

唐二藏

  • 帖子

    4
  • 精华

    0
  • 被关注

    5

论坛等级:游侠

注册时间:2017-05-13

普通 普通 如何晋级?

请问Smart200帮助文件里的 自由口通讯RCV接收实例 例子1 是否不对

1009

1

2019-11-18 16:12:56

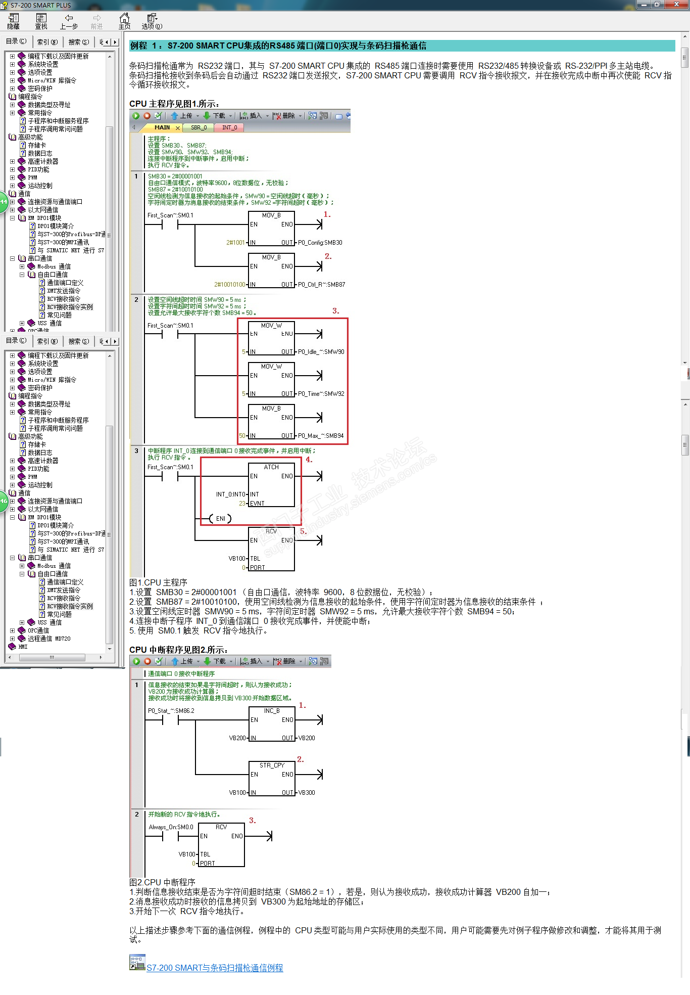
1,实例1如下图1

,2,按此例子,实在是无法收到串口调试助手发的数据,但用另一个发送程序XMT能给串口调试助手发数据,并且调试助手能收到正确的数据,是否可以说明硬件连接没有问题。那问题是否出在调试助手和此程序上。

3,调试助手按9600, 8,无,设置,默认1位停止位

4,实验结果如下图2



请问Smart200帮助文件里的 自由口通讯RCV接收实例 例子1 是否不对 已锁定
编辑推荐: 关闭

请填写推广理由:

本版热门话题

SIMATIC S7-200 SMART

共有9389条技术帖

相关推荐

热门标签

相关帖子推荐

guzhang

恭喜,你发布的帖子

评为精华帖!

快扫描右侧二维码晒一晒吧!

再发帖或跟帖交流2条,就能晋升VIP啦!开启更多专属权限!

  • 分享

  • 只看
    楼主

top
X 图片
您收到0封站内信:
×
×
信息提示
很抱歉!您所访问的页面不存在,或网址发生了变化,请稍后再试。