回复:P757等于P759会发生什么?

kdrjl

西门子1847工业学习平台

  • 帖子

    37126
  • 精华

    455
  • 被关注

    1479

论坛等级:至圣

注册时间:2003-06-06

钻石 钻石 如何晋级?

发布于 2019-12-06 14:20:22

4楼


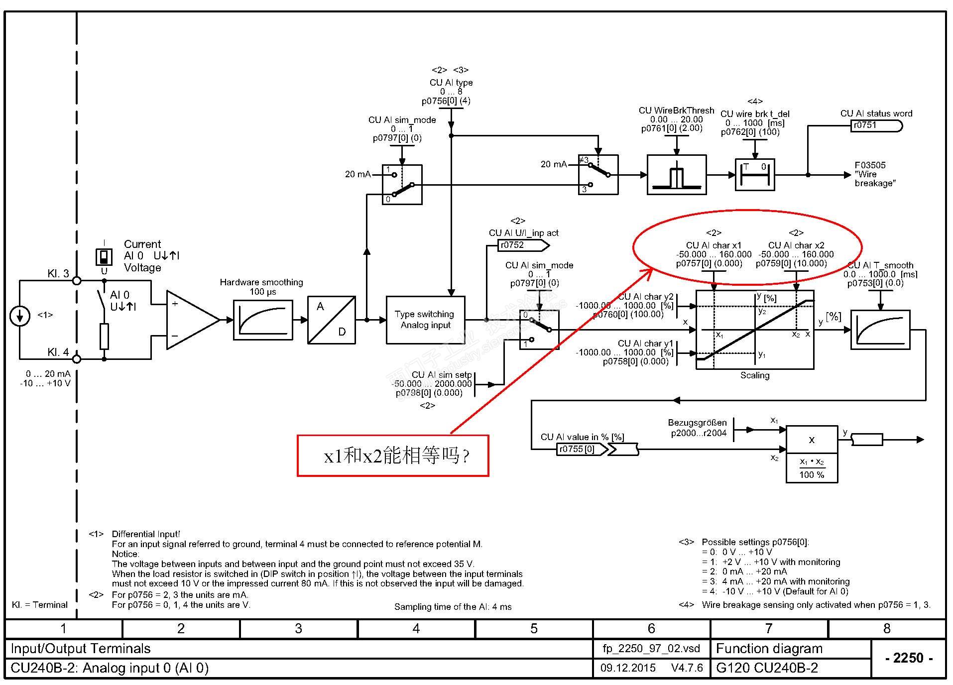
如上图示。这个帖子真的是太有意思了。

我是你的朋友
评论
编辑推荐: 关闭

请填写推广理由:

本版热门话题

谈天说地

共有14311条技术帖

相关推荐

热门标签

相关帖子推荐

guzhang

恭喜,你发布的帖子

评为精华帖!

快扫描右侧二维码晒一晒吧!

再发帖或跟帖交流2条,就能晋升VIP啦!开启更多专属权限!

  • 分享

  • 只看
    楼主

top
X 图片
您收到0封站内信:
×
×
信息提示
很抱歉!您所访问的页面不存在,或网址发生了变化,请稍后再试。