回复:数值转换溢出问题

YUKJ

  • 帖子

    3352
  • 精华

    7
  • 被关注

    71

论坛等级:至圣

注册时间:2014-04-28

钻石 钻石 如何晋级?

发布于 2019-12-15 12:18:43

2楼

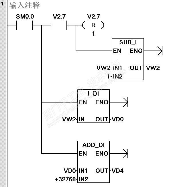
 VW2--.VD4     仅供参考,地址与楼主的程序没有关联。

由于字的负数最小是-32768,而楼主要-32767转变为0.所以程序中出现VW2-1.

 


评论
编辑推荐: 关闭

请填写推广理由:

本版热门话题

SIMATIC S7-200 SMART

共有9418条技术帖

相关推荐

热门标签

相关帖子推荐

guzhang

恭喜,你发布的帖子

评为精华帖!

快扫描右侧二维码晒一晒吧!

再发帖或跟帖交流2条,就能晋升VIP啦!开启更多专属权限!

  • 分享

  • 只看
    楼主

top
X 图片
您收到0封站内信:
×
×
信息提示
很抱歉!您所访问的页面不存在,或网址发生了变化,请稍后再试。