回复:请教,虚拟机安装STARTER5.3,搜索120,前面是灰色的问号

已锁定

kdrjl

西门子1847工业学习平台

  • 帖子

    36784
  • 精华

    452
  • 被关注

    1458

论坛等级:至圣

注册时间:2003-06-06

钻石 钻石 如何晋级?

发布于 2020-02-19 11:23:26

7楼

网速太慢了,所以尽量把一个帖子写的不能太长,这样发出去的成功率才可以高一些。不要模仿我这样呀。发动个回帖,,是由灌水现役的呦。


言归正传,楼主不是想用端子控制启停吗?而且还想设置给定信号。看功能图即可。把相关的功能图看懂,就很容易BiCo的连接它们了。


首先,命令源的参数,叫控制字。先把控制字的功能图找到:

如上图示,启停命令是参数P840。由此,S120与MM440的启停控制字参数一模一样;


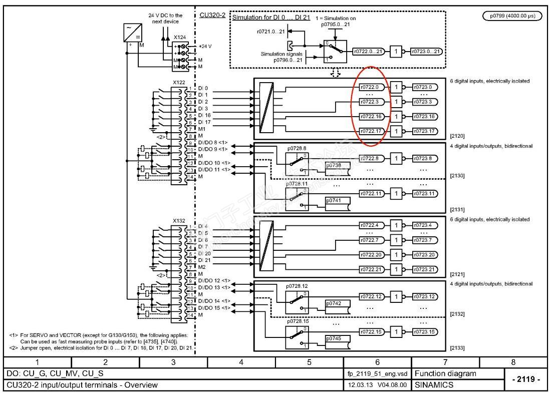
然后,找端子的功能图

由上图示,端子对应的参数是r722.x。你用哪个端子作为启停输入,就把对应的端子r722的下标的r参数连接到P840,即可实现端子控制了。


同理,设定值是参数P1070,你要链接的r参数是模拟量端子?还是通讯?就把相应的r参数链接即可。功能图自己去找,这里不再赘述。



我是你的朋友
评论
编辑推荐: 关闭

请填写推广理由:

本版热门话题

驱动技术综合产品

共有1978条技术帖

相关推荐

热门标签

相关帖子推荐

guzhang

恭喜,你发布的帖子

评为精华帖!

快扫描右侧二维码晒一晒吧!

再发帖或跟帖交流2条,就能晋升VIP啦!开启更多专属权限!

  • 分享

  • 只看
    楼主

top
X 图片
您收到0封站内信:
×
×
信息提示
很抱歉!您所访问的页面不存在,或网址发生了变化,请稍后再试。