OB35的疑问

已锁定

银杏树

西门子1847工业学习平台

  • 帖子

    583
  • 精华

    1
  • 被关注

    35

论坛等级:奇侠

注册时间:2011-06-21

钻石 钻石 如何晋级?

OB35的疑问

722

4

2020-04-19 19:57:37

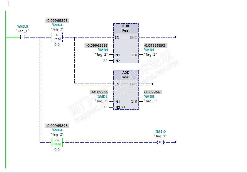
西门子1200PLC,新建个OB35写了个小程序,感觉结果和预期的不一样。现在用仿真看了下。结果不是预期那样。

为什么会出现后面的小数啊?
望高手给解决下
程序就一个OB35,写了下面两段程序。


监控的时候就出现小数点后面了很多位了,那么多小数位是从哪来的 啊


我觉得MD8应该是60.0,为啥是60.0996好像每次都是这样。



OB35的疑问 已锁定
编辑推荐: 关闭

请填写推广理由:

本版热门话题

SIMATIC S7-1200系列

共有15374条技术帖

相关推荐

热门标签

相关帖子推荐

guzhang

恭喜,你发布的帖子

评为精华帖!

快扫描右侧二维码晒一晒吧!

再发帖或跟帖交流2条,就能晋升VIP啦!开启更多专属权限!

  • 分享

  • 只看
    楼主

top
X 图片
您收到0封站内信:
×
×
信息提示
很抱歉!您所访问的页面不存在,或网址发生了变化,请稍后再试。