回复:PLC1500顺序控制使用状态机,当某个条件满足,如何复位前一个状态然后置位下一个状态

已锁定

乘风破浪济沧海

  • 帖子

    124
  • 精华

    0
  • 被关注

    4

论坛等级:侠客

注册时间:2018-02-26

钻石 钻石 如何晋级?

发布于 2020-04-20 09:41:59

8楼

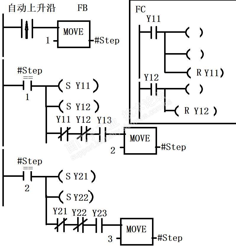
可以这么写,最好还是使用GRAPH

 

 

此后如竟没有炬火,我便是唯一的光
评论
编辑推荐: 关闭

请填写推广理由:

本版热门话题

SIMATIC S7-1500系列

共有10698条技术帖

相关推荐

热门标签

相关帖子推荐

guzhang

恭喜,你发布的帖子

评为精华帖!

快扫描右侧二维码晒一晒吧!

再发帖或跟帖交流2条,就能晋升VIP啦!开启更多专属权限!

  • 分享

  • 只看
    楼主

top
X 图片
您收到0封站内信:
×
×
信息提示
很抱歉!您所访问的页面不存在,或网址发生了变化,请稍后再试。