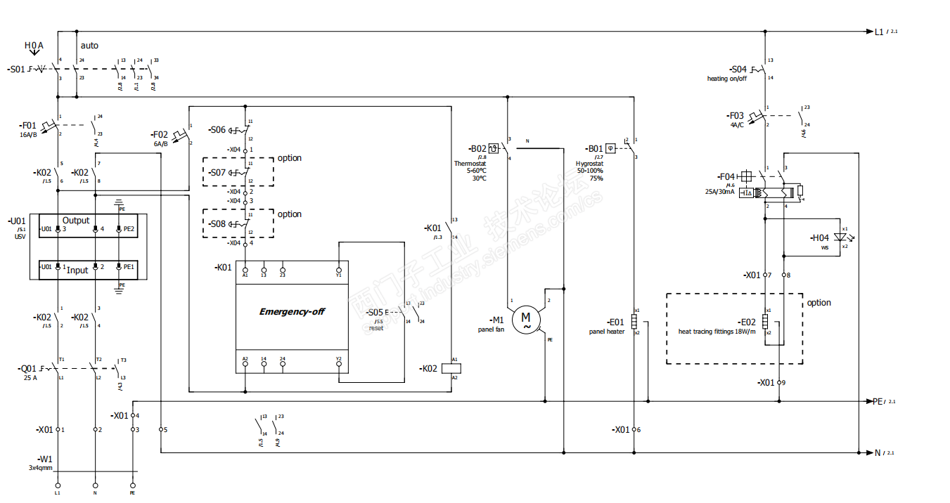
十年前我刚入环保行业,单位承接了一个自动化项目,为当时亚洲最大的污泥处置项目配套自控系统。那个项目采用了一家德国公司的污泥消化技术,很多设备也是直接从德国进口的。在调试过程中发现不管大柜子还是小箱子,只要是有急停按钮的都配套了一个黄色的控制模块,像下图那样的:

模块的功能似乎也不复杂,就是将急停开关接入后输出一个控制触点控制电源接触器,唯一不同的就是柜内还设置了一个复位按钮,按下急停后如果想复位必须先复位急停按钮然后打开柜门再按一下复位按钮。查了资料才知道这个模块叫安全继电器,具体为什么要用就不明白了,感觉直接用急停按钮也能实现功能呀,每次急停复位还要开柜门,反倒麻烦了。德国人设计的原理图如下:

项目结束几年之后,德国公司的中国办事处开始在国内承接其他项目,为了降低成本,设备从德国进口,电控国内配套,就找到了我们。由于有上次的项目经验,配套电控柜的设计就交给了我。也不难,直接拿德国的图纸翻译,把原件型号更换成国内常用型号就可以了。图纸上别的东西都简单,按钮、接触器等很容易替换,可是安全继电器国内很少用。跟西门子一询价吓一跳,那么一个小东西就要几千块,货期至少两个月,一个模块占了近一半的成本,货期也等不及。跟甲方说明情况,最后解决方法就是把安全继电器“解决”掉,我的图纸就成了下面的样子:

按下急停,主电源接触器断开,复位急停接触器吸合,功能上没问题,也省了开柜门再按一次复位按钮了。这个活也就顺利按期完成了,甲方也很高兴,因为我们的报价比从德国进口便宜了很多。
如今快十年过去了,我对安全继电器的理解也深刻了很多,回想当时的设计,是不满足下面安全标准要求的,因为:1、如果急停常闭触点发生粘连,不能有效断开那么主电源接触器是不会断开的,急停就失效了;2、急停复位后主电源接触器会立即吸合,机器会突然再启动。
安全标准对安全电路的要求:
1.安全电路发生故障时,要马上停止机器动力;
2.安全电路发生故障时机器不能再启动;
3.紧急停止解除时,机器不能出现突然再启动。
安全继电器并不是没有故障的继电器,而是在发生故障(自身故障及安全回路故障)时保证无输出,以此来保证机器的安全。安全继电器具有强制导向触点结构,可以利用辅助电路来检测自身NO及NC触点的熔焊及故障,换句话说,两者都可能会有故障,但安全继电器可以自检故障,而一般继电器不能。基于安全标准对机器安全电路的要求,很容易看到其它器件很难实现上述功能,一般的继电器又有其自身的设计缺陷,所以,组建安全电路一定要使用安全继电器。