回复:一个未注意的设计错误,找了好几天

已锁定

你以为你是谁

  • 帖子

    4602
  • 精华

    11
  • 被关注

    316

论坛等级:至圣

注册时间:2007-08-02

钻石 钻石 如何晋级?

发布于 2020-05-13 08:40:14

9楼

展开查看
以下是引用yming在2020-05-13 08:21:00的发言 >5楼

判断正确。

以前也用过4P小继电器这样的应用,运行几年也没有发现触点问题。

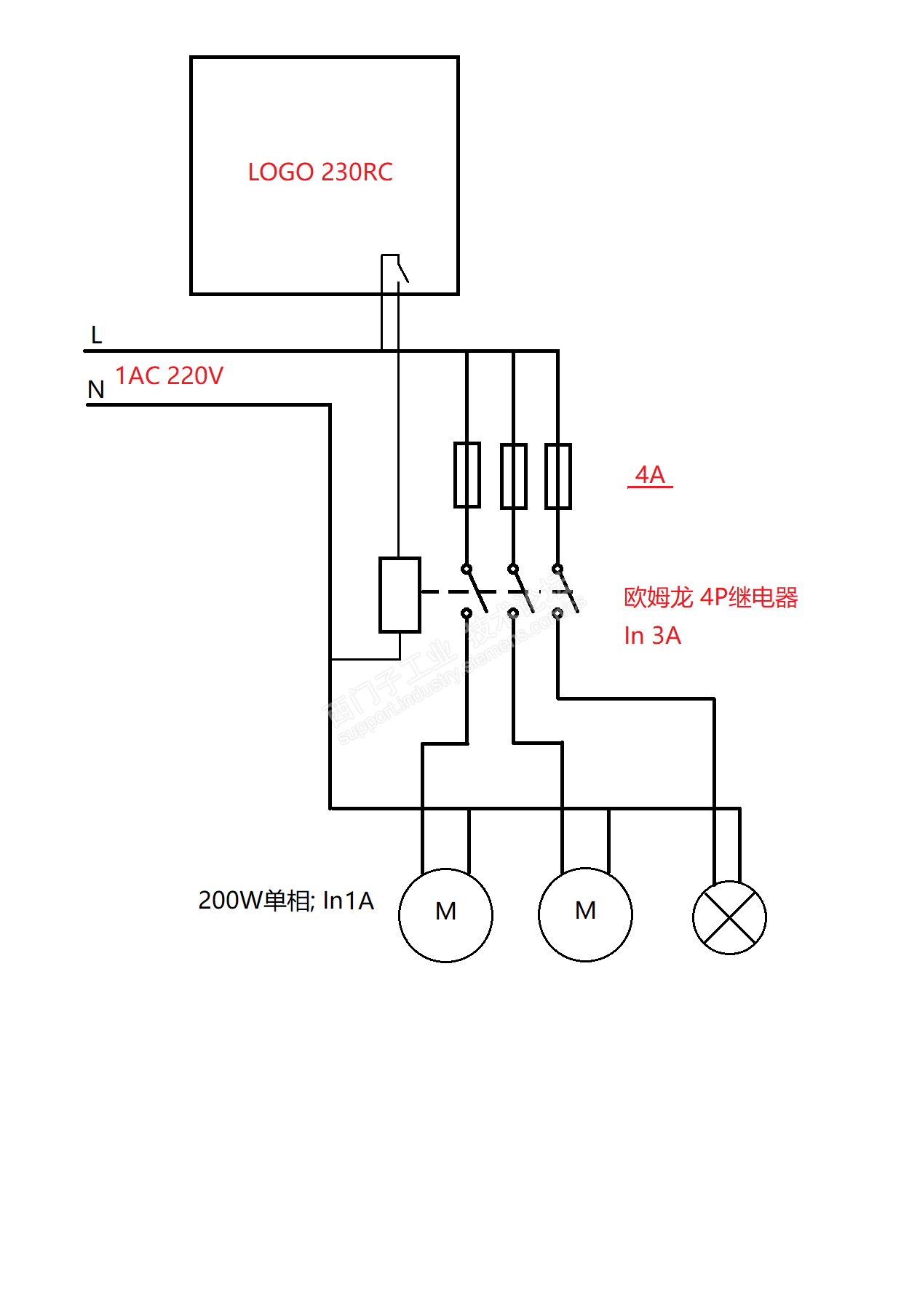
如下图:




就忽略了这个问题。





以下是引用蓝关道人在2020-05-13 07:40:24的发言 >2楼: 据我估计应该是继...

引用2楼详细内容:

 据我估计应该是继电器起弧短路造成的,更换为2P10A继电器试试,最好用接触器

中间继电器没有灭弧装置,这应该是问题所在之处了。因为是单相电机,可以选择控制火线。

PCS7系统爱好者,技术交流:617522577@qq.com
评论
编辑推荐: 关闭

请填写推广理由:

本版热门话题

LOGO!

共有2404条技术帖

相关推荐

热门标签

相关帖子推荐

guzhang

恭喜,你发布的帖子

评为精华帖!

快扫描右侧二维码晒一晒吧!

再发帖或跟帖交流2条,就能晋升VIP啦!开启更多专属权限!

  • 分享

  • 只看
    楼主

top
您收到0封站内信:
×
×
信息提示
很抱歉!您所访问的页面不存在,或网址发生了变化,请稍后再试。