不知道这个话题是否有人感兴趣。
最近,因为客户要求,我们在给用户做的传动控制系统里要增加一个外闭环。一开始是用G120系统做的,把G120内置的工艺调节器用上了,在G120系统的转速调节器前端,加了一个工艺闭环调节器,并采用了PID的微调结构。控制效果还是很满意的。
之后不久,另一个以前的用户,提出了类似的要求,但这个用户以前的系统是S120。因为S120的功能储备很多,所以在应答了客户需求以后,我读S120功能图时,突然发现,S120的内置工艺调节器和G120的内置工艺调节器虽然图上看不出不一样,但是应用上却存在了差别。
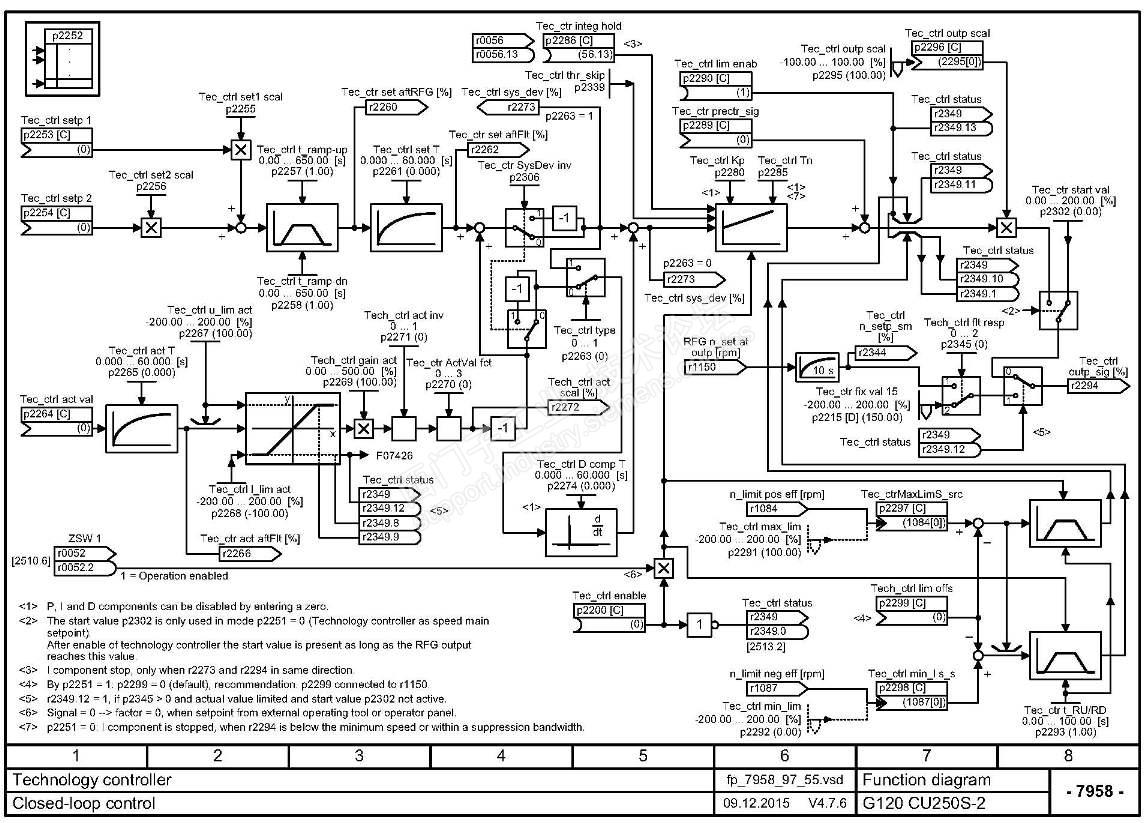
G120的工艺调节器

S120的工艺调节器

上面的图看得出区别吗?没有吧?
G120的工艺调节器输出是规定好了固定连接端子的。S120的工艺调节器输出是可以任意BiCo互联的。你如果不人为的去连接,使能以后,那它就是悬空的。