回复:如何声明一个变量进行循环计数

已锁定

甲方客户

  • 帖子

    6
  • 精华

    0
  • 被关注

    1

论坛等级:新手

注册时间:2020-06-24

普通 普通 如何晋级?

发布于 2020-06-24 15:58:51

3楼

展开查看
以下是引用shine在2020-06-24 15:48:34的发言 >1楼

你不用把所有的程序写在一个network中

首先,你把输入一次计数加1,到设定次数复位到初始值的程序做出来

然后,就简单了,每个输出对应哪个/哪几个计数值。做一个比较就好了

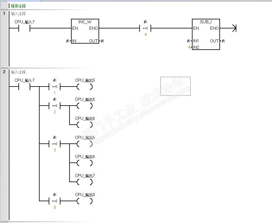
大佬,我尝试修改了下,现在是这样

现在每次输入是0、5、6、7都会有输出,我的设计是不是哪里有问题啊,我不是这个专业的,很多东西都不了解,您看我这哪里有问题能不能帮我指出来

评论
编辑推荐: 关闭

请填写推广理由:

本版热门话题

SIMATIC S7-200 SMART

共有9312条技术帖

相关推荐

热门标签

相关帖子推荐

guzhang

恭喜,你发布的帖子

评为精华帖!

快扫描右侧二维码晒一晒吧!

再发帖或跟帖交流2条,就能晋升VIP啦!开启更多专属权限!

  • 分享

  • 只看
    楼主

top
X 图片
您收到0封站内信:
×
×
信息提示
很抱歉!您所访问的页面不存在,或网址发生了变化,请稍后再试。