回复:338模块读数问题

已锁定

渔明锅红

  • 帖子

    2064
  • 精华

    83
  • 被关注

    471

论坛等级:至圣

注册时间:2009-04-02

白金 白金 如何晋级?

发布于 2020-07-02 08:08:28

6楼

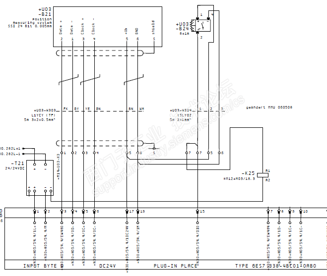
你没提供编码器的接线说明,我只能把我们的338模块接线发给你参考。


组态设置的对吗?

网鱼能够改善伙食,还能释放工作中的压力。
评论
编辑推荐: 关闭

请填写推广理由:

本版热门话题

SIMATIC S7-300/400

共有54789条技术帖

相关推荐

热门标签

相关帖子推荐

guzhang

恭喜,你发布的帖子

评为精华帖!

快扫描右侧二维码晒一晒吧!

再发帖或跟帖交流2条,就能晋升VIP啦!开启更多专属权限!

  • 分享

  • 只看
    楼主

top
X 图片
您收到0封站内信:
×
×
信息提示
很抱歉!您所访问的页面不存在,或网址发生了变化,请稍后再试。