6ES7531-7QD00-0AB0模块只能接2路PT100传感器吗

已锁定

失魂人

  • 帖子

    1
  • 精华

    0
  • 被关注

    0

论坛等级:新手

注册时间:2019-07-15

普通 普通 如何晋级?

6ES7531-7QD00-0AB0模块只能接2路PT100传感器吗

406

2

2020-07-24 15:36:42


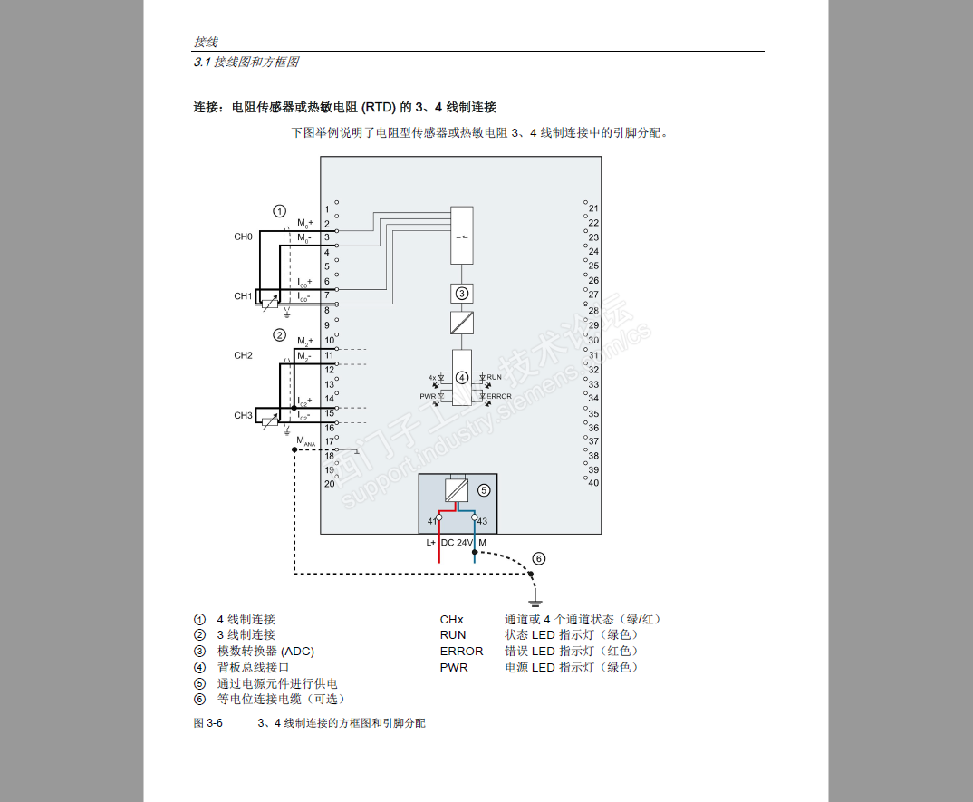
买了6ES7531-7QD00-0AB0模块,看规格是4路的,到货后发现如果接pt100传感器只能接2路,如图。有没有办法接4路啊?

6ES7531-7QD00-0AB0模块只能接2路PT100传感器吗 已锁定
编辑推荐: 关闭

请填写推广理由:

本版热门话题

SIMATIC S7-1500系列

共有10592条技术帖

相关推荐

热门标签

相关帖子推荐

guzhang

恭喜,你发布的帖子

评为精华帖!

快扫描右侧二维码晒一晒吧!

再发帖或跟帖交流2条,就能晋升VIP啦!开启更多专属权限!

  • 分享

  • 只看
    楼主

top
您收到0封站内信:
×
×
信息提示
很抱歉!您所访问的页面不存在,或网址发生了变化,请稍后再试。