回复:求助1FB00-0BA6更换成1F08-0BA0以后不能使用

已锁定

手机用户20200824130663

  • 帖子

    2
  • 精华

    0
  • 被关注

    0

论坛等级:新手

注册时间:2020-08-24

普通 普通 如何晋级?

发布于 2020-08-24 10:04:11

2楼

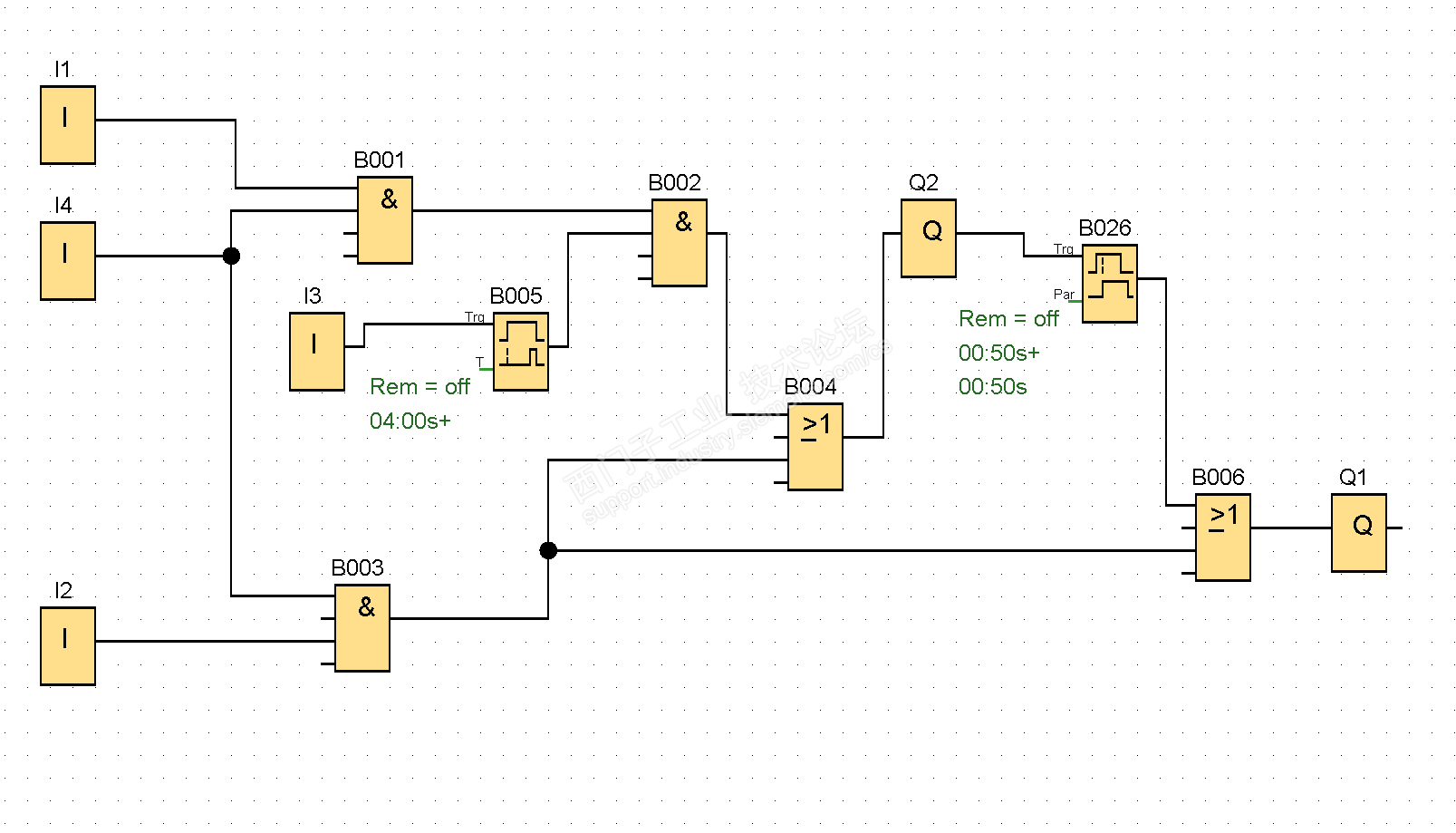
这是电路图和程序图,小白一个,求大神帮帮忙




评论
编辑推荐: 关闭

请填写推广理由:

本版热门话题

LOGO!

共有2418条技术帖

相关推荐

热门标签

相关帖子推荐

guzhang

恭喜,你发布的帖子

评为精华帖!

快扫描右侧二维码晒一晒吧!

再发帖或跟帖交流2条,就能晋升VIP啦!开启更多专属权限!

  • 分享

  • 只看
    楼主

top
X 图片
您收到0封站内信:
×
×
信息提示
很抱歉!您所访问的页面不存在,或网址发生了变化,请稍后再试。