西门子风量传感器接线问题

已锁定

PLC DIY

  • 帖子

    287
  • 精华

    1
  • 被关注

    25

论坛等级:侠圣

注册时间:2009-07-05

普通 普通 如何晋级?

西门子风量传感器接线问题

837

3

2020-08-30 14:25:45

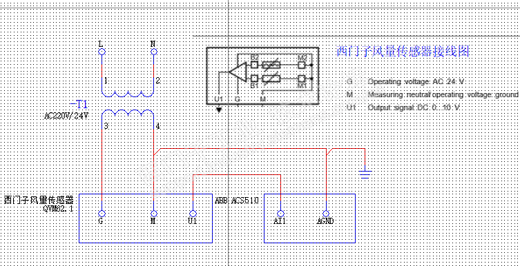
一个西门子QVM62.1的风量传感器输出0-10V信号需要接到一台ABB510变频的的AI端口,传感器是AC24V供电三线的,也就是变压器的一边需要和变频的AGND连起来,请问这样有什么问题么,问别人说是交流会干扰0-10V信号,要是这样可行,AGND端是不是必须的,英文部分是西门子风量传感器说明书上的描述。


西门子风量传感器接线问题 已锁定
编辑推荐: 关闭

请填写推广理由:

本版热门话题

SIMATIC S7-1500系列

共有10836条技术帖

相关推荐

热门标签

相关帖子推荐

guzhang

恭喜,你发布的帖子

评为精华帖!

快扫描右侧二维码晒一晒吧!

再发帖或跟帖交流2条,就能晋升VIP啦!开启更多专属权限!

  • 分享

  • 只看
    楼主

top
X 图片
您收到0封站内信:
×
×
信息提示
很抱歉!您所访问的页面不存在,或网址发生了变化,请稍后再试。