modbus

已锁定

手机用户20200912XPXBJ6

  • 帖子

    15
  • 精华

    0
  • 被关注

    1

论坛等级:游民

注册时间:2020-09-12

普通 普通 如何晋级?

modbus

1021

11

2020-09-13 14:22:41

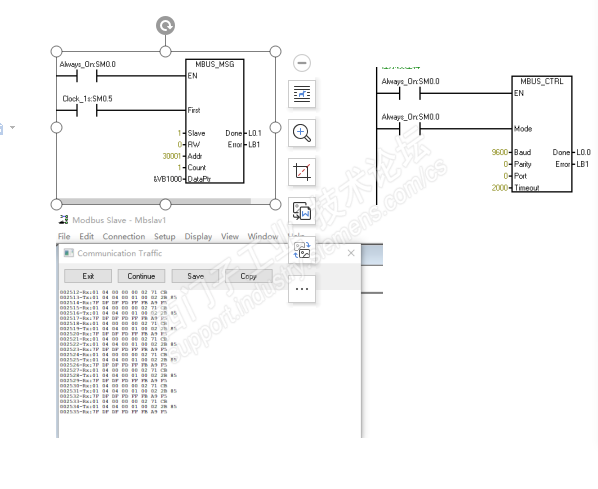
请帮我看下,S7-200主站为什么会发出7F DF这个数据。

 

modbus 已锁定
编辑推荐: 关闭

请填写推广理由:

本版热门话题

SIMATIC S7-200 SMART

共有9416条技术帖

相关推荐

热门标签

相关帖子推荐

guzhang

恭喜,你发布的帖子

评为精华帖!

快扫描右侧二维码晒一晒吧!

再发帖或跟帖交流2条,就能晋升VIP啦!开启更多专属权限!

  • 分享

  • 只看
    楼主

top
X 图片
您收到0封站内信:
×
×
信息提示
很抱歉!您所访问的页面不存在,或网址发生了变化,请稍后再试。