
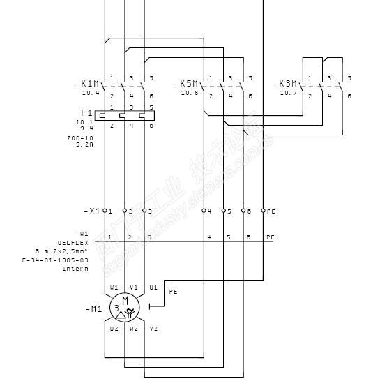
这是一个非常典型的星三角主电路配置及接线图。出线6根线,热继电器接三相绕组的头,三角形接触器接绕组的尾。仔细看了一下热继电器情况。

配置的是电流调整范围是110-140A的热继电器,对应的电路原理图见下图。

一看电路图就很清楚。粉碎机厂家热继电器配置是错误了,没有搞清楚星三角降压启动。线电流=1.732相电流,而图中配置的热继电器是接入相电流的,电机额定运行时,相电流=104*0.577=60A, 一般情况下热继电器整定电流是额定电流的1.05倍,所以配置的热继电器电流应该整定值是60*1.05=63A.