第三方三相永磁同步电机(带编码器,6.5KW)可以用西门子什么驱动器驱动?

已锁定

XIE1234

  • 帖子

    3
  • 精华

    0
  • 被关注

    1

论坛等级:游民

注册时间:2012-08-26

普通 普通 如何晋级?

第三方三相永磁同步电机(带编码器,6.5KW)可以用西门子什么驱动器驱动?

570

3

2020-10-28 22:00:47

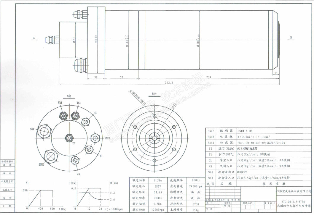
有一个机器人打磨的项目,供应商提供的主轴电机是额定功率为6.5KW的带编码器的三相永磁同步电机,现在需要根据电机选择一个合适的西门子的驱动器。麻烦哪位大佬帮我选个型号,谢谢大家!

1.PNG

2.PNG

3.PNG


第三方三相永磁同步电机(带编码器,6.5KW)可以用西门子什么驱动器驱动? 已锁定
编辑推荐: 关闭

请填写推广理由:

本版热门话题

驱动技术综合产品

共有1978条技术帖

相关推荐

热门标签

相关帖子推荐

guzhang

恭喜,你发布的帖子

评为精华帖!

快扫描右侧二维码晒一晒吧!

再发帖或跟帖交流2条,就能晋升VIP啦!开启更多专属权限!

  • 分享

  • 只看
    楼主

top
X 图片
您收到0封站内信:
×
×
信息提示
很抱歉!您所访问的页面不存在,或网址发生了变化,请稍后再试。