回复:安全继电器3TK1111替换3TK2806

已锁定

JL4_207

  • 帖子

    920
  • 精华

    2
  • 被关注

    10

论坛等级:奇侠

注册时间:2019-12-05

钻石 钻石 如何晋级?

发布于 2020-12-16 13:01:58

3楼

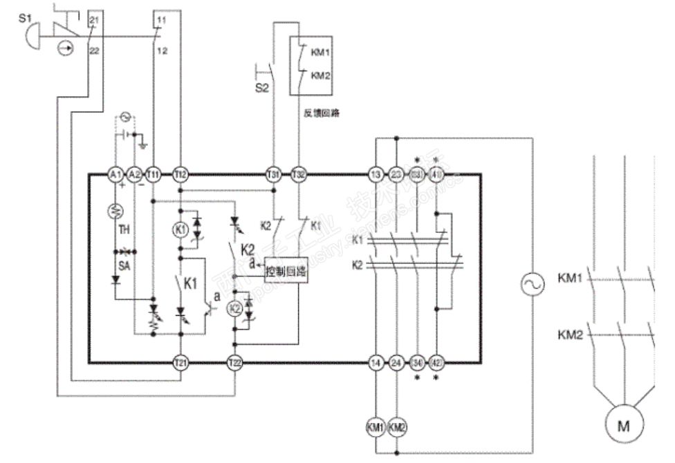
 安全继电器这玩意都是大同小异,只要仔细看看接线图,没有问题了;

 



暂无
评论
编辑推荐: 关闭

请填写推广理由:

本版热门话题

SINUMERIK

共有25590条技术帖

相关推荐

热门标签

相关帖子推荐

guzhang

恭喜,你发布的帖子

评为精华帖!

快扫描右侧二维码晒一晒吧!

再发帖或跟帖交流2条,就能晋升VIP啦!开启更多专属权限!

  • 分享

  • 只看
    楼主

top
X 图片
您收到0封站内信:
×
×
信息提示
很抱歉!您所访问的页面不存在,或网址发生了变化,请稍后再试。