回复:S7-400PLC变量实现HEESS压床定位

已锁定

第7代CNC

  • 帖子

    909
  • 精华

    3
  • 被关注

    97

论坛等级:奇侠

注册时间:2009-11-29

钻石 钻石 如何晋级?

发布于 2020-12-18 09:13:19

13楼


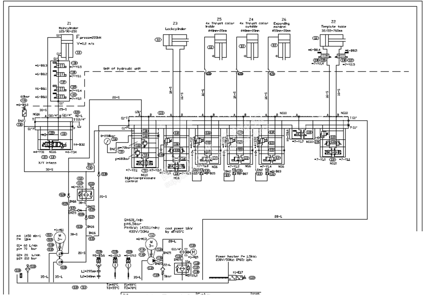
液压原理图



《图解数控机床维修必备技能与实战速成》《实用数控加工手册》《车辆轮轴加工与组装》
评论
编辑推荐: 关闭

请填写推广理由:

本版热门话题

SINUMERIK

共有25746条技术帖

相关推荐

热门标签

相关帖子推荐

guzhang

恭喜,你发布的帖子

评为精华帖!

快扫描右侧二维码晒一晒吧!

再发帖或跟帖交流2条,就能晋升VIP啦!开启更多专属权限!

  • 分享

  • 只看
    楼主

top
X 图片
您收到0封站内信:
×
×
信息提示
很抱歉!您所访问的页面不存在,或网址发生了变化,请稍后再试。