老师,脉冲+方向 正逻辑 和 负逻辑 是什么区别
AB正交脉冲 正逻辑 和 负逻辑 是什么区别
正逻辑负逻辑是什么....
脉冲+方向 和 AB正交脉冲 两种信号类型是什么区别
老师V90中EMGS信号是急停信号,CWL是正转信号 、CCWL是反转信号是吗? 这三个信号为什么要强制为1呢才能进行V90调试呢,调试完成后连接PLC这三个信号还要一直强制为1吗?如果这三个信号接外部开关的话也是接常闭触点开关吗?然后EMGS信号断开就急停,CWL信号断开就正传,CCWL信号断开就反转.......
老师下图里面讲到因为PLC能输出的高速脉冲的Hz数是受限制的,所以最大转速也应与输出脉冲相匹配。
那么这里的是9600°/S 就是 93600个脉冲/S。那么我怎么确定这个最大转速的范围是多少到多少呢。

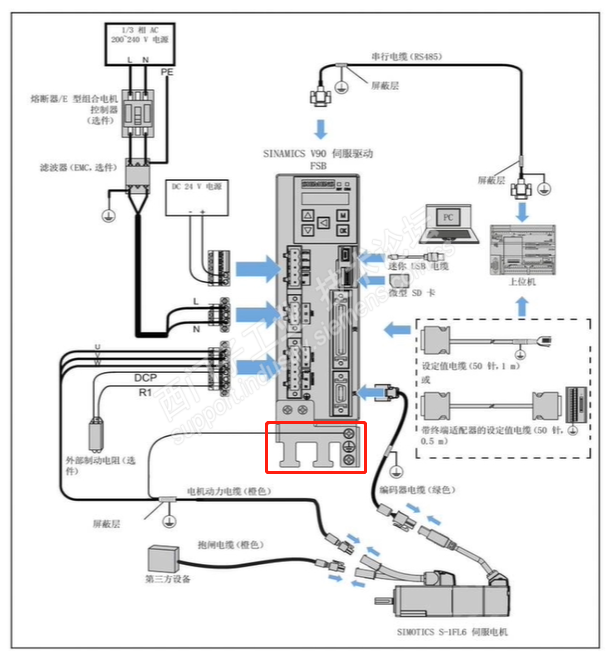
老师屏蔽版在哪。是不是圈出来的那个。
课程中说要把屏蔽层压在屏蔽板上,图中屏蔽层不是在线上吗。。。

老师什么情况下用增量式编码器和什么情况下用绝对值编码器就看每次上电后是不是要回参考点吗?