回复:大家好,如果你在使用共母线系统,并且是两台以上的并联系统,那么你有必要看一下这个帖子

已锁定

威师爷

  • 帖子

    5108
  • 精华

    47
  • 被关注

    255

论坛等级:至圣

注册时间:2013-09-18

普通 普通 如何晋级?

发布于 2020-12-26 10:43:55

7楼

展开查看
以下是引用我家牛在2020-12-26 08:42:15的发言 >3楼

两台整流共直流母线是12脉动的?还是?

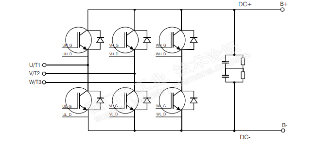
整流内部是这样的

 

工业起重机防摇摆 QQ:404136820 AntiSwayControl
评论
编辑推荐: 关闭

请填写推广理由:

本版热门话题

驱动技术综合产品

共有2004条技术帖

相关推荐

热门标签

相关帖子推荐

guzhang

恭喜,你发布的帖子

评为精华帖!

快扫描右侧二维码晒一晒吧!

再发帖或跟帖交流2条,就能晋升VIP啦!开启更多专属权限!

  • 分享

  • 只看
    楼主

top
X 图片
您收到0封站内信:
×
×
信息提示
很抱歉!您所访问的页面不存在,或网址发生了变化,请稍后再试。