计数器为何无法复位

已锁定

f1968

  • 帖子

    263
  • 精华

    0
  • 被关注

    70

论坛等级:侠圣

注册时间:2014-09-05

钻石 钻石 如何晋级?

计数器为何无法复位

1818

6

2021-01-06 20:19:35

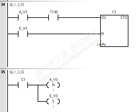
程序运行时监控到C1不复位,而E_V3已置位,感觉很疑惑,望高手指教



计数器为何无法复位 已锁定
编辑推荐: 关闭

请填写推广理由:

本版热门话题

SIMATIC S7-200 SMART

共有9021条技术帖

相关推荐

热门标签

相关帖子推荐

guzhang

恭喜,你发布的帖子

评为精华帖!

快扫描右侧二维码晒一晒吧!

再发帖或跟帖交流2条,就能晋升VIP啦!开启更多专属权限!

  • 分享

  • 只看
    楼主

top
X 图片
您收到0封站内信:
×
×
信息提示
很抱歉!您所访问的页面不存在,或网址发生了变化,请稍后再试。