回复:SMART200控制变频频率调速

已锁定

Zaxife

  • 帖子

    2450
  • 精华

    31
  • 被关注

    78

论坛等级:至圣

注册时间:2008-07-24

普通 普通 如何晋级?

发布于 2021-01-08 11:22:22

5楼

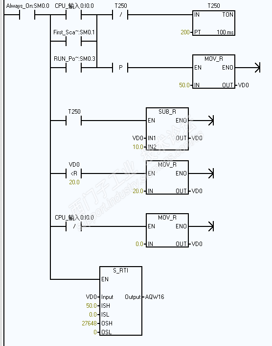
这么基本的东西,太简单了。





评论
编辑推荐: 关闭

请填写推广理由:

本版热门话题

SIMATIC S7-200 SMART

共有9417条技术帖

相关推荐

热门标签

相关帖子推荐

guzhang

恭喜,你发布的帖子

评为精华帖!

快扫描右侧二维码晒一晒吧!

再发帖或跟帖交流2条,就能晋升VIP啦!开启更多专属权限!

  • 分享

  • 只看
    楼主

top
X 图片
您收到0封站内信:
×
×
信息提示
很抱歉!您所访问的页面不存在,或网址发生了变化,请稍后再试。