回复:LOGO算数指令

已锁定

甫哥

  • 帖子

    1448
  • 精华

    72
  • 被关注

    84

论坛等级:至圣

注册时间:2009-01-04

普通 普通 如何晋级?

发布于 2021-01-20 08:01:45

2楼

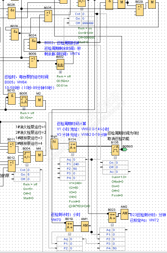
算数指令的V1(P1)【3-4】、计数器的ON、OFF,等等等,是“引用”数据的输入端,只能连接如图所示

(如模拟量类功能块等)的“用于引用”的输出端。





书山有路勤为径,学海无涯苦作舟;三人行,必有我师;森林之外的树木也能成才
评论
编辑推荐: 关闭

请填写推广理由:

本版热门话题

LOGO!

共有2417条技术帖

相关推荐

热门标签

相关帖子推荐

guzhang

恭喜,你发布的帖子

评为精华帖!

快扫描右侧二维码晒一晒吧!

再发帖或跟帖交流2条,就能晋升VIP啦!开启更多专属权限!

  • 分享

  • 只看
    楼主

top
X 图片
您收到0封站内信:
×
×
信息提示
很抱歉!您所访问的页面不存在,或网址发生了变化,请稍后再试。