回复:LOGO算数指令

已锁定

高山孤影

  • 帖子

    3582
  • 精华

    109
  • 被关注

    318

论坛等级:至圣

注册时间:2012-03-03

钻石 钻石 如何晋级?

发布于 2021-01-20 08:11:40

3楼

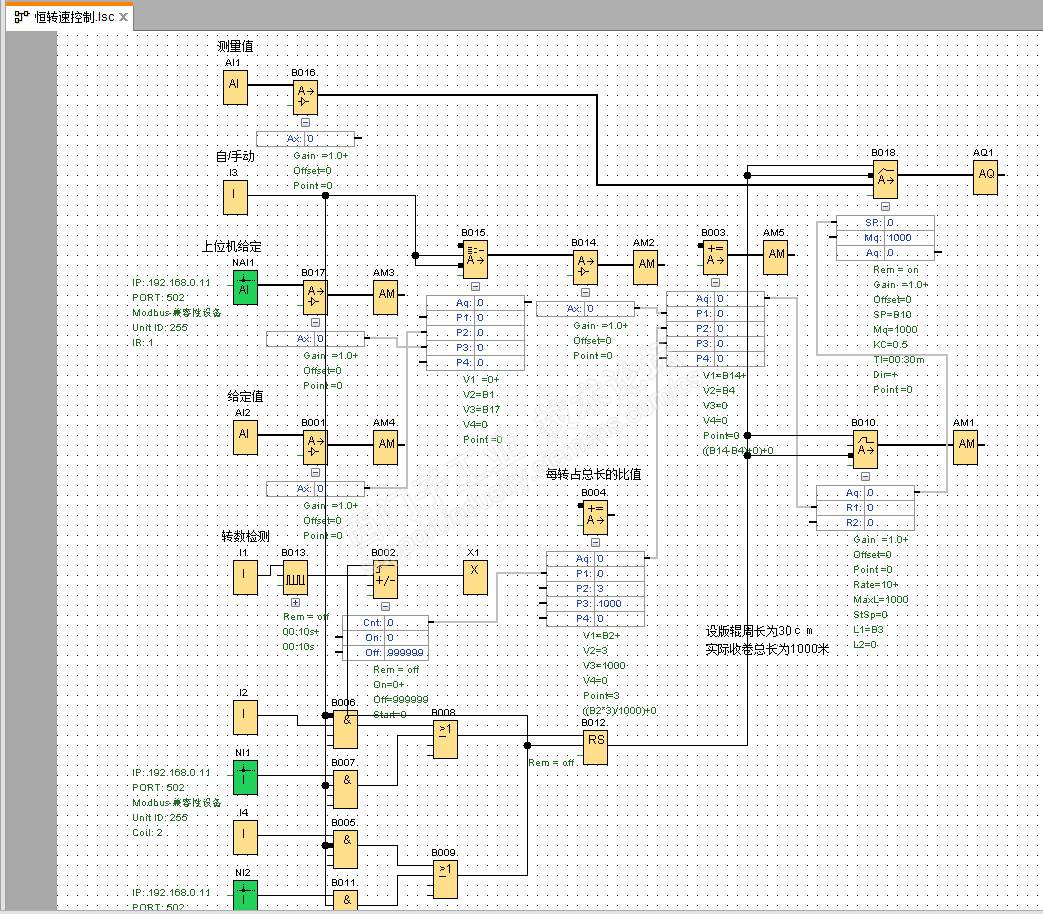
V1与B001的AX端连接,就能将B001的模拟量输出值取过来了。

下面就是个简单的例子。



http://blog.163.com/xiuzhang_2000/
评论
编辑推荐: 关闭

请填写推广理由:

本版热门话题

LOGO!

共有2418条技术帖

相关推荐

热门标签

相关帖子推荐

guzhang

恭喜,你发布的帖子

评为精华帖!

快扫描右侧二维码晒一晒吧!

再发帖或跟帖交流2条,就能晋升VIP啦!开启更多专属权限!

  • 分享

  • 只看
    楼主

top
X 图片
您收到0封站内信:
×
×
信息提示
很抱歉!您所访问的页面不存在,或网址发生了变化,请稍后再试。