本人在使用200smart运动控制功能时,发现200smart控制下的步进电机存在定位不准确的问题。
验证过程如下,使用PLC控制一个步进电机,进行正反转运动(电机不带任何负载)试验前记录电机轴的初始位置,电机动作为正转一圈,反转一圈,并重复执行此过程。经过数百次后停止电机,观察电机轴的最终位置和初始位置的偏差。
经过多次试验,电机在循环30次后就能明显观察到位置出现了偏差。用其它品牌PLC进行同样的控制,电机位置未出现偏差。(200samrt输出为高电平,另一品牌PLC输出为低电平,接线完全按照步进电机手册进行)。



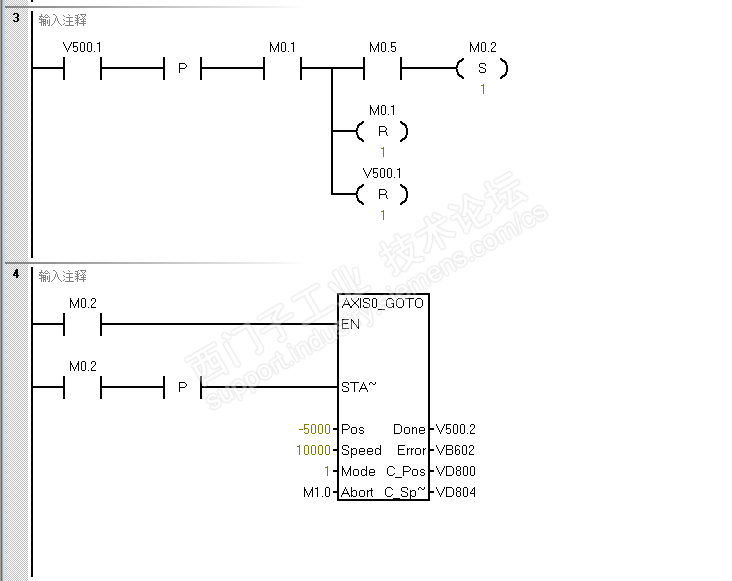
以上为本人测试所用的程序,望与论坛内前辈探讨。不足之处,还请指出