今天给大家分享基于S7-400PLC的烧结机头除尘循环卸灰系统安装调试,本项目系统电气控制回路简单故障少维护简单,控制模式多可根据生产需求进行自动卸灰,操作画面简单易操作;投入使用已经3年多,解决了除尘灰在仓内烧结的问题,设备故障率及消耗大大降低.
一、工艺要求
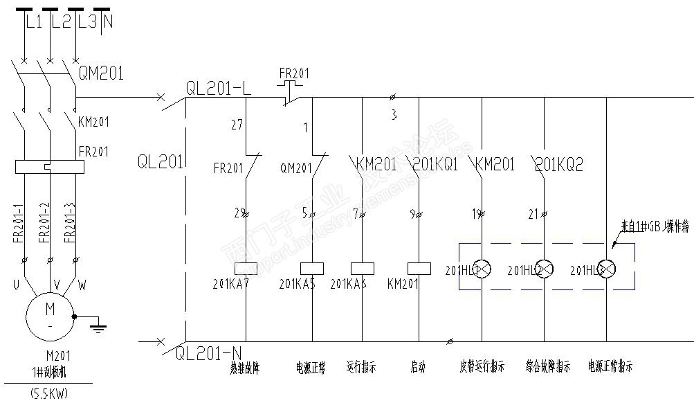
本系统设备主要包括:1-4#埋刮板机、1-16#双层卸灰阀。工艺流程图如下图所示,要求各设备手动、自动、运行、故障等设备状态在操作画面显示;系统控制方式主要分为操作箱手动、上位机自动。手动时利用GCI模块采集操作箱信号通过PLC编程实现单设备启、停控制;上位机自动设计单阀独立循环、单阀系统循环、两阀系统循环、四阀系统循环四种循环控制模式,实现系统自动循环卸灰。

自动控制时,把1台埋刮板机及对应4台卸灰阀视为一个流程,埋刮板机及4台卸灰阀都有独立的循环时间设定。单阀独立循环时,4台卸灰阀以埋刮板机运行时间为基准,单独按各自设定运行时间、停止时间循环启停;单阀系统循环时,16台卸灰阀为周期,按其设定运行时间循环运行,埋刮板机以其4台卸灰阀运行时运行;双阀系统循环时,16台卸灰阀分为8组,每组循环以两阀中设定运行时间较长的为基准,埋刮板机以其4台卸灰阀运行时运行;四阀系统循环时,16台卸灰阀分为4组,每组循环以四阀中设定运行时间较长的为基准,埋刮板机以其4台卸灰阀运行时运行。
二、系统机构
本系统采用操作箱手动、上位机自动两种控制方式:(1)操作箱手动方式,现场操作箱上的按钮、转换开关信号通过ET200M从站模块采集至PLC,由PLC编程,操作箱实现单个设备控制及监控;(2)上位机自动方式,通过编写程序,分为单独循环与连锁循环启动模式,由上位机操作和监控设备。
三、系统控制回路设计
系统控制回路主要由电气原理设计,以及ET200MP模块接线原理设计两部分组成。系统设备以及操作箱信号由ET200MP系列DI模块采集到S7-400PLC,这样大大简化了电气控制回路,减少系统成本,并且有利于系统维护及故障排查。


四、设备安装及调试
盘柜由制作厂家制作完成后到现在安装。盘柜布置如下图所示。


盘柜落地安装后操作箱与从站柜之间接线连接,PLC与ET200M从站之间布置DP线缆及DP头制造。等所有接线完成后开始检查控制回路及供电回路,没问题后开始逐级上电准备调试。
上电完成后PLC开始按现场从站配置组态并下载到PLC中,组态下载完成现场操作箱及从站所有IO开始打点调试。
打点完成后开始设备点动调试,电动调试后开始安装工艺流程编写程序并按各功能进行调试。主要开发了定时运行、停止功能块FC30,实现设备运行、停止时间设定,及单设备独立循环控制模式;埋刮板机、卸灰阀循环功能块,实现可选择单阀系统循环、两阀系统循环、四阀系统循环模式控制。
部分功能程序如下:



本系统上位机操作画面采用西门子 WinCC 6.0编辑软件。按照工艺操作要求,开发操作、监控画面,实现系统上位机自动控制,监控设备状态,可实现无人值守;本系统画面包括:主画面、分项控窗口10个、报警记录画面等。
