回复:固态MOSFET 的输出端的耐压值 (MOSFET 的 反向击穿电压)是多少? 24V电压能承受么?

已锁定

莘莘学子

  • 帖子

    6993
  • 精华

    4
  • 被关注

    176

论坛等级:至圣

注册时间:2010-04-22

钻石 钻石 如何晋级?

发布于 2021-02-21 08:33:23

5楼

展开查看
以下是引用hellokitty!在2021-02-20 08:36:03的发言 >4楼

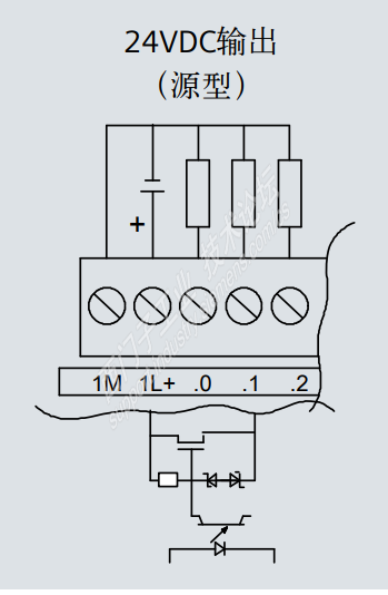
楼主是问的这部分么



这个是对的,输入和输出电压是分开的。

弘扬中华传统美德,无私奉献为根本,助人为乐为根源。
评论
编辑推荐: 关闭

请填写推广理由:

本版热门话题

SIMATIC S7-200 SMART

共有9389条技术帖

相关推荐

热门标签

相关帖子推荐

guzhang

恭喜,你发布的帖子

评为精华帖!

快扫描右侧二维码晒一晒吧!

再发帖或跟帖交流2条,就能晋升VIP啦!开启更多专属权限!

  • 分享

  • 只看
    楼主

top
X 图片
您收到0封站内信:
×
×
信息提示
很抱歉!您所访问的页面不存在,或网址发生了变化,请稍后再试。